Curiosii for ever!
: Car repair manuals for everyone.
Home
>>
Volkswagen
>>
2005
>>
Golf (1J1) L4-2.0L (AVH)
>>
Repair and Diagnosis
>>
Specifications
>>
Mechanical Specifications
>>
Engine
>>
Engine Mount
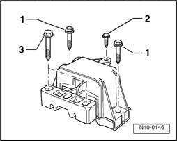
Engine Mount
Assembly mounting
Tightening torques
Engine mounting
Engine mounting:
Transmission mounting
Transmission mounting:
1) Replace bolts
Pendulum support
Pendulum support: