Curiosii for ever!: Car repair manuals for everyone.

Secondary Air Injection (AIR) System, Assembly Overview



Secondary Air Injection (AIR) System, Assembly Overview

Removing And Installing Secondary Air Injection (AIR) Pump Motor -V101-







1. Secondary Air Injection (AIR) pump motor -V101-
2. Front right longmember
3. 10 Nm
4. Bracket
- For Secondary Air Injection (AIR) pump motor
- Fastened to intake manifold
5. Damping ring
- Securing collar must point to eye of pump
6. Protective ring
7. Connector
- For Secondary Air Injection (AIR) pump motor
- Black, 2-pin
8. To connecting pipe
9. Pressure hose
- Ensure seated tightly
- Press together at front to release
10. O-ring
- Replace
11. Intake tube
- Ensure seated tightly
- Press together at front to release
12. From upper air filter housing

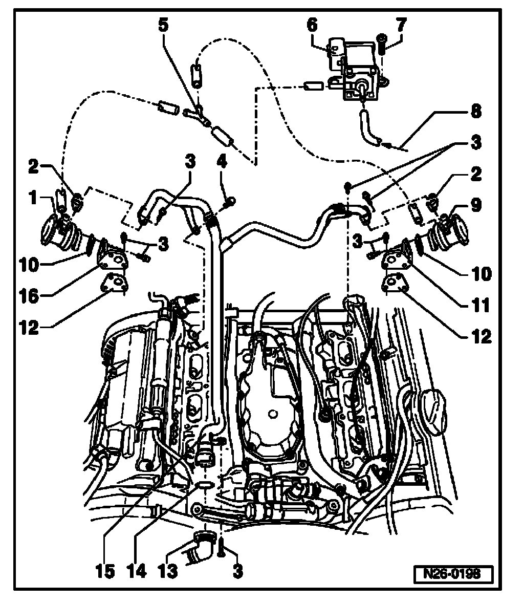
Removing and installing connecting pipe and combi-valves

Secondary Air Injection (AIR) pump relay J299







1. Combi-valve, right
2. Seal
- Replace
3. 10 Nm
4. 25 Nm
5. Y-piece
6. Secondary Air Injection (AIR) solenoid valve -N112
7. 6 Nm
8. From vacuum reservoir
- Component location: in left wheel well
9. Combi-valve, left
10. Seal
- Replace
11. Connecting piece
12. Seal
- Replace
13. Pressure hose
- Ensure seated tightly
- Press together at front to release
14. O-ring
- Replace
15. Connecting pipe
16. Connecting piece







Secondary Air Injection (AIR) pump relay -J299- - arrow