Curiosii for ever!: Car repair manuals for everyone.

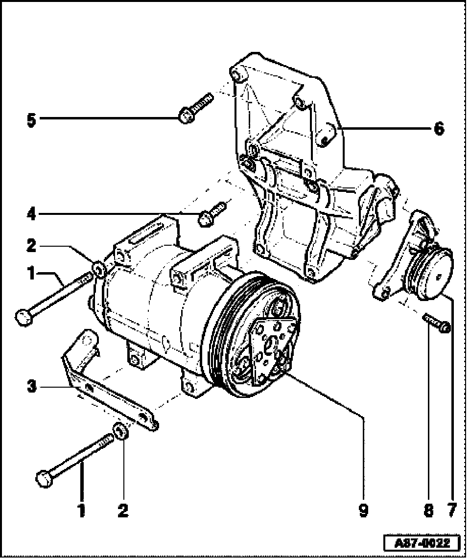
Compressor Bracket, Assembly



4-Cyl. Gasoline Engine, Assembly







NOTE:
- The compressor bracket and related components can be removed and installed without having to open the refrigerant circuit
- Before carrying out any work on the A/C refrigerant system, refer to all CAUTIONS and WARNINGS in A/C refrigerant system safety measures.

1. Hex head bolt
- M8X100
- 25 Nm
2. Washer
3. Bracket for refrigerant hoses
4. Hex head combination bolt
- M8x35
- 30 Nm
5. Hex head combination bolt
- M8x50
- 30 Nm
6. Compressor bracket
- Removing:
- Remove ribbed belt for compressor
- Remove bolts -1-.
- Remove compressor from bracket, swing away (leave refrigerant hoses connected) and secure in engine compartment with wire, see Fig. 1.
- Remove bolts -4- and -5-.
- Remove compressor bracket from engine.

CAUTION:
- Do not allow compressor to hang from refrigerant hoses unsupported.
- Note different length bolts and their installation locations.

7. Tensioning roller
- Removing and installing ribbed belt.
8. Hex socket bolt
- M8 X 28
- 23 Nm
9. Compressor
- From 10.00: Denso
- With A/C clutch-N25-
- Servicing A/C clutch -N25- (Zexel).
- Servicing A/C clutch -N25- (Denso).







Fig. 1 Compressor, securing with wire

When removing the compressor from it's bracket without opening the refrigerant system, secure the compressor to the lower frame member with a suitable wire (e.g.: welding rod or similar) as illustrated.

CAUTION: Do not allow compressor to hang from refrigerant hoses unsupported.