Curiosii for ever!: Car repair manuals for everyone.

EVAP System Components, Servicing


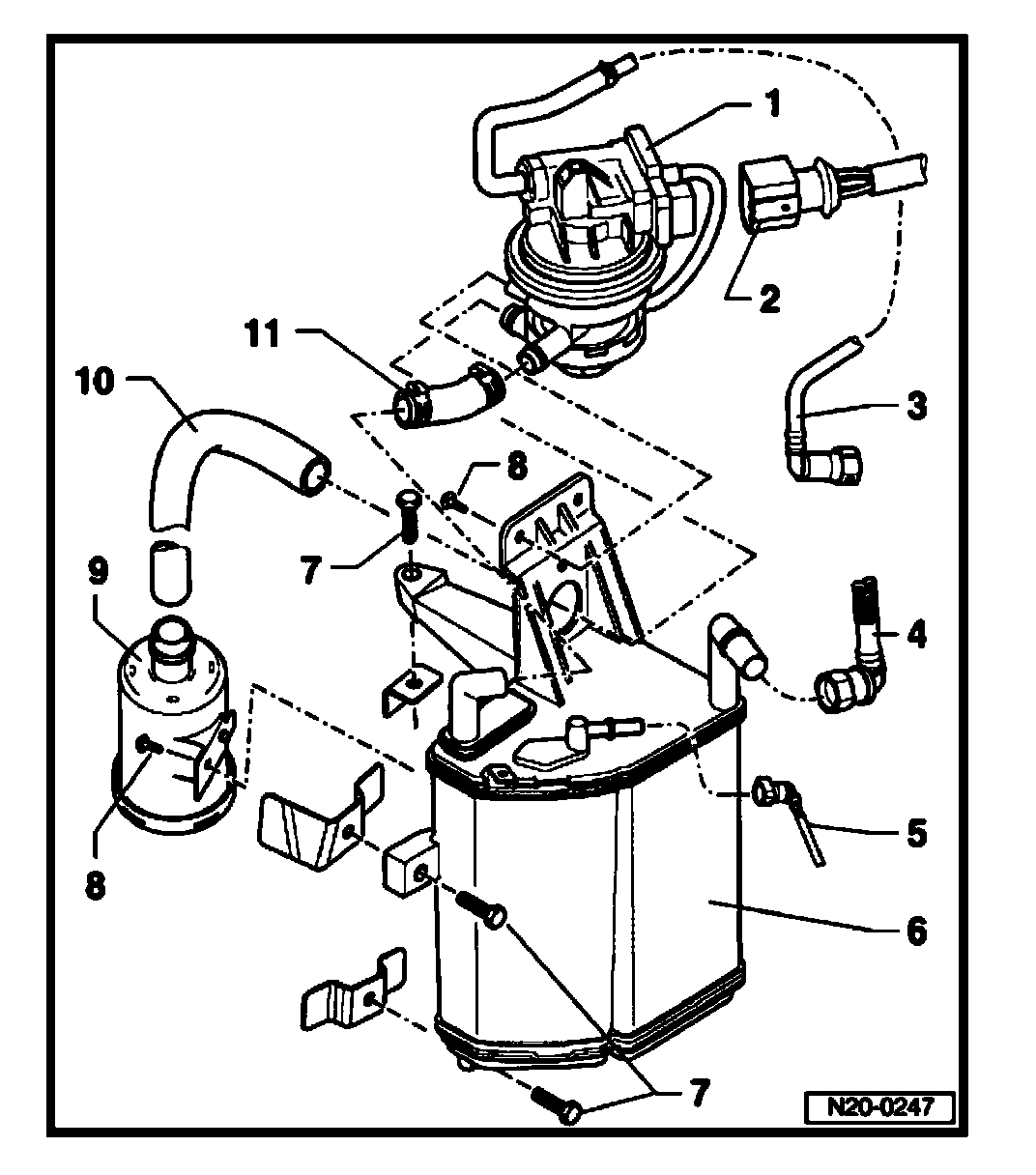
EVAP system components, servicing

Note:
^ Components marked with an are checked by the self-diagnosis.
Refer to Diagnostic tester VAS5051; Vehicle self diagnosis
^ Components marked with * are checked by the final control diagnosis.
Refer to Diagnostic tester VAS5051; Vehicle self diagnosis





1. Leak Detection Pump (LDP) -V144-*/**
^ In right rear wheelhousing, behind wheelhousing liner
2. Connector
^ Black, 3-pin
3. Vacuum line
^ To intake manifold upper part.
^ Press together at front to release
4. Breather pipe Black Check if seated securely
^ From change-over valve on fuel tank
^ Press together at front to release
5. To EVAP canister purge regulator valve -N80-
^ White
^ Check if seated securely
^ To EVAP canister purge regulator valve -N80-
6. EVAP canister
^ In right rear wheelhousing, behind wheelhousing liner
^ To remove and install, remove turn signals
7. 10 Nm
8. 2 Nm
9. Air filter for leak detection pump
10. Connecting hose
^ Suction side
11. Connecting hose
^ Pressure side