Curiosii for ever!: Car repair manuals for everyone.

Air Temperature Sensor ( Ambient / Intake ): Service and Repair



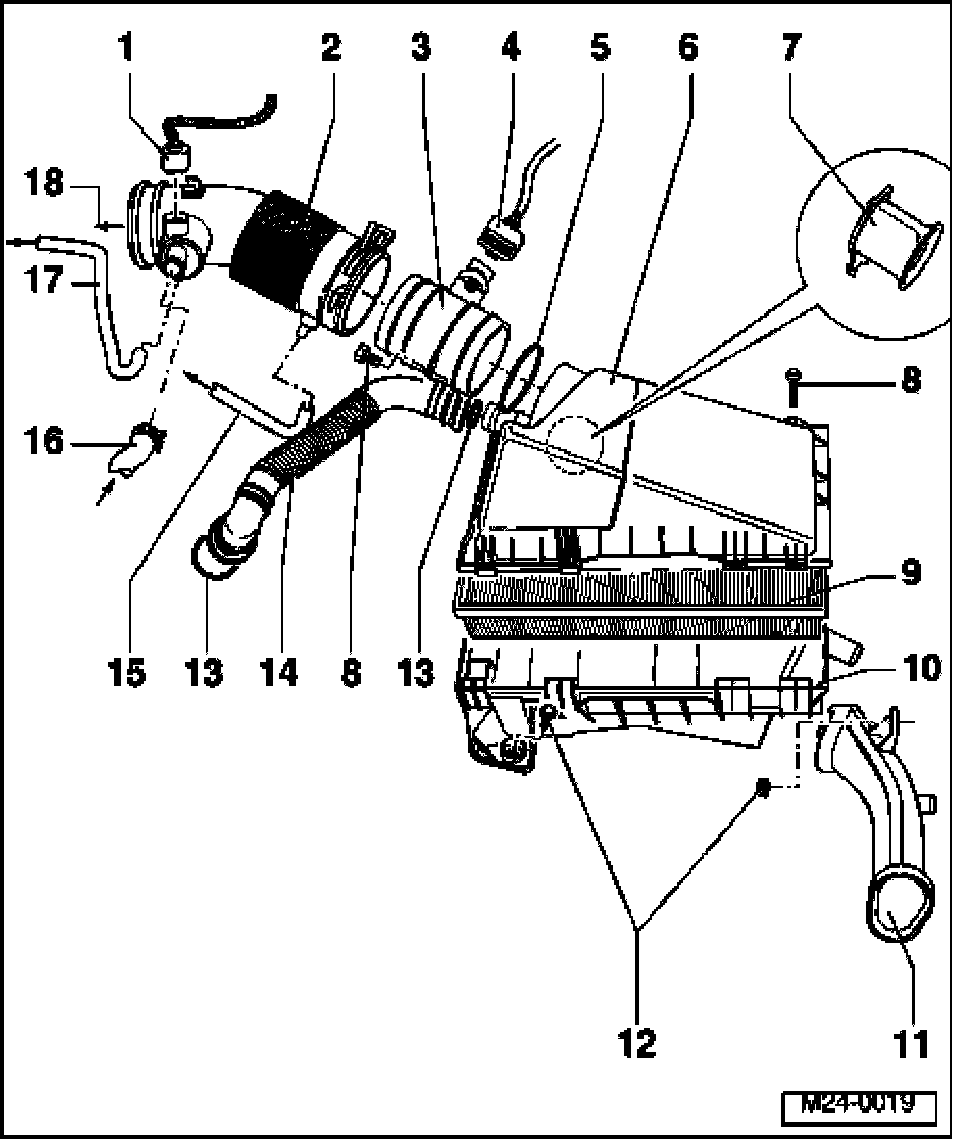
Air Filter, Disassembling And Assembling


Air Filter:






1 Connector
- black, 2-pin
- For Positive Crankcase Ventilation (PCV) heating element -N79-
- Check voltage supply for PCV heating element between terminals 1 and 2 with engine running Specified value: at least 11.5 V
2 Intake hose
- Check for secure fitting
- Note installed position
- With Positive Crankcase Ventilation (PCV) heating element -N79-
3 Mass Air Flow (MAF) sensor -G70-* with Intake Air Temperature (IAT) sensor (G42)*
- Terminals of sensor and connector are gold-plated
4 Connector
- black, 5-pin
- Terminals of sensor and connector are gold-plated
5 Seal
- Replace if damaged
6 Air filter, upper portion
7 Air duct
- Clipped into upper part of air filter
8 6 Nm
9 Filter element
10 Air filter, lower portion
11 Air duct
12 10 Nm
13 O-ring
- Replace if damaged
14 Intake hose
- Check for secure fitting
- To disengage, squeeze together at front
15 Connection hose
- Check for secure fitting
16 Connection hose
- For crankcase ventilation
17 Connection hose
18 To throttle valve control module -J338-