Curiosii for ever!: Car repair manuals for everyone.

Air Flow Meter/Sensor: Service and Repair



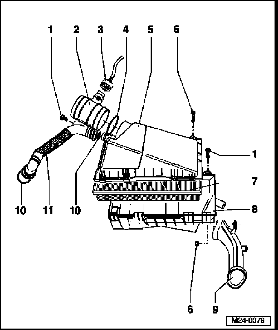
Air Filter, Disassembling And Assembling







1 10 Nm
2 Mass Air Flow (MAF) Sensor -G70-*
- Checking Mass Air Flow (MAF) Sensor -G70-
3 Connector
4 Seal
- Replace if damaged
5 Air filter, upper portion
6 6 Nm
7 Filter element
8 Air filter, lower portion
9 Air duct
10 O-ring
- Replace if damaged
11 Intake hose
- For Secondary Air Injection (AIR) pump