Curiosii for ever!: Car repair manuals for everyone.

Knock Sensor: Service and Repair



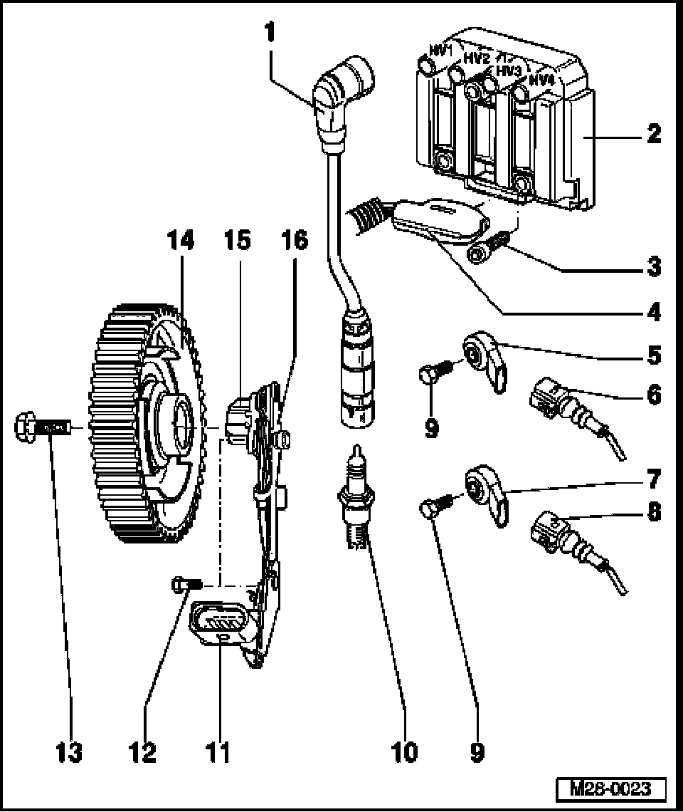
Parts of the ignition, removing and installing (Vehicles with engine code AVH, AZG, BDC)







NOTE: Engine Control Module (ECM) with connectors:


- Vehicles with engine code AVH, AZG, item 11.
- Vehicles with engine code BDC, item 12.

1 Ignition wire
- 4 to 8 k ohms
- with interference suppression connector and spark plug connector
2 Ignition coil with power output stage (-N70-, -N127-, -N291-, -N292-)*
- Ignition wires connection:HV1 = Cylinder 1HV2 = Cylinder 2HV3 = Cylinder 3HV4 = Cylinder 4
3 10 Nm
4 Connector
- 6-pin
5 Knock Sensor (KS) 1 (G61)*
- contact surfaces between knock sensor and cylinder block must be free of corrosion, dirt and grease
- Terminals of sensor and connector are gold-plated
6 Connector
- 2-pin
- For Knock Sensor (KS) 1 -G61-
- before disconnecting, mark allocation of connector to component
- Terminals of sensor and connector are gold-plated
7 Knock Sensor (KS) 2 (G66)*
- contact surfaces between knock sensor and cylinder block must be free of corrosion, dirt and grease
- Terminals of sensor and connector are gold-plated
8 Connector
- 2-pin
- For Knock Sensor (KS) 2 -G66-
- before disconnecting, mark allocation of connector to component
- Terminals of sensor and connector are gold-plated
9 Connector
- 2-pin
- For Knock Sensor (KS) 1 -G61-
- before disconnecting, mark allocation of connector to component
- Terminals of sensor and connector are gold-plated
10 Spark plug, 30 Nm
- Type and spark plug gap, test data, spark plugs
11 Connector
- 3-pin
- For Camshaft Position (CMP) sensor 2 -G40-
- Terminals of sensor and connector are gold-plated
12 10 Nm
13 100 Nm
- Use Retainer (3415) when loosening or tightening
14 Camshaft gear
- with trigger wheel for Camshaft Position (CMP) Sensor -G40-
15 Camshaft Position (CMP) sensor (G40)*
- Terminals of sensor and connector are gold-plated
16 Bracket
- for Camshaft Position (CMP) sensor.