Curiosii for ever!: Car repair manuals for everyone.

Cross Member For Steering Column, Assembly Overview


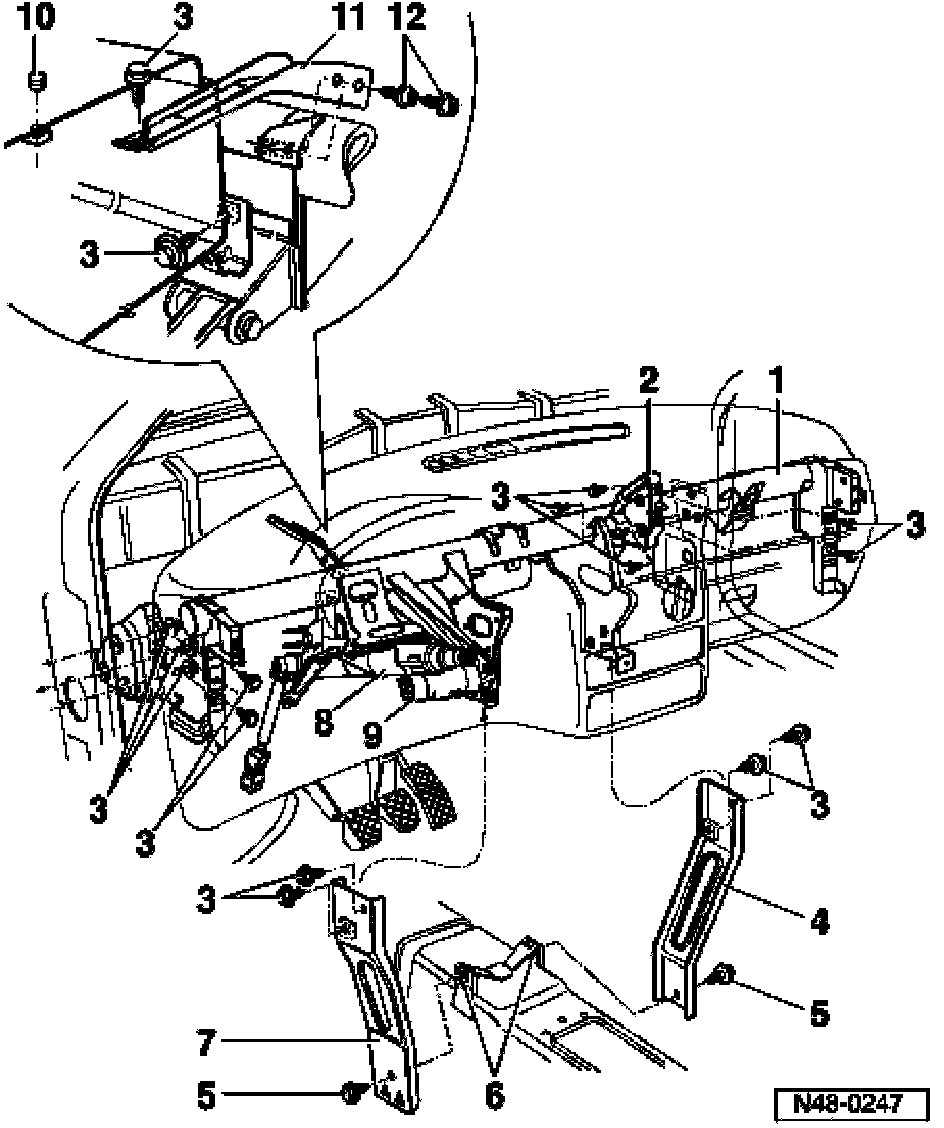
Cross member for steering column, assembly overview





1. Cross member for steering column
2. Adjustment bracket
3. Hex bolt, 25 Nm (18 ft. lbs.)
4. Strut, right
5. Hex bolt
6. Speed nut
7. Strut, left
8. Steering column
9. Steering lock housing
10. Plug
11. Bulkhead reinforcement
12. Multi-point socket head bolt, 10 Nm (89 inch lbs.)