Curiosii for ever!: Car repair manuals for everyone.

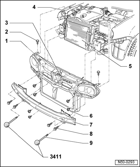
Lock Carrier, Service Position



Lock Carrier Service Position







- Remove front bumper cover.
- Disconnect Bowden cable at lock.
- Remove one bolt each at longmember's and screw in Guide rods 3411 at right and left longmembers for this.
- Remove bolts and and pull lock carrier toward front in area of Guide rods 3411.