Curiosii for ever!: Car repair manuals for everyone.

Alternator: Service and Repair




4-Cylinder Gasoline Engines 05.99 >







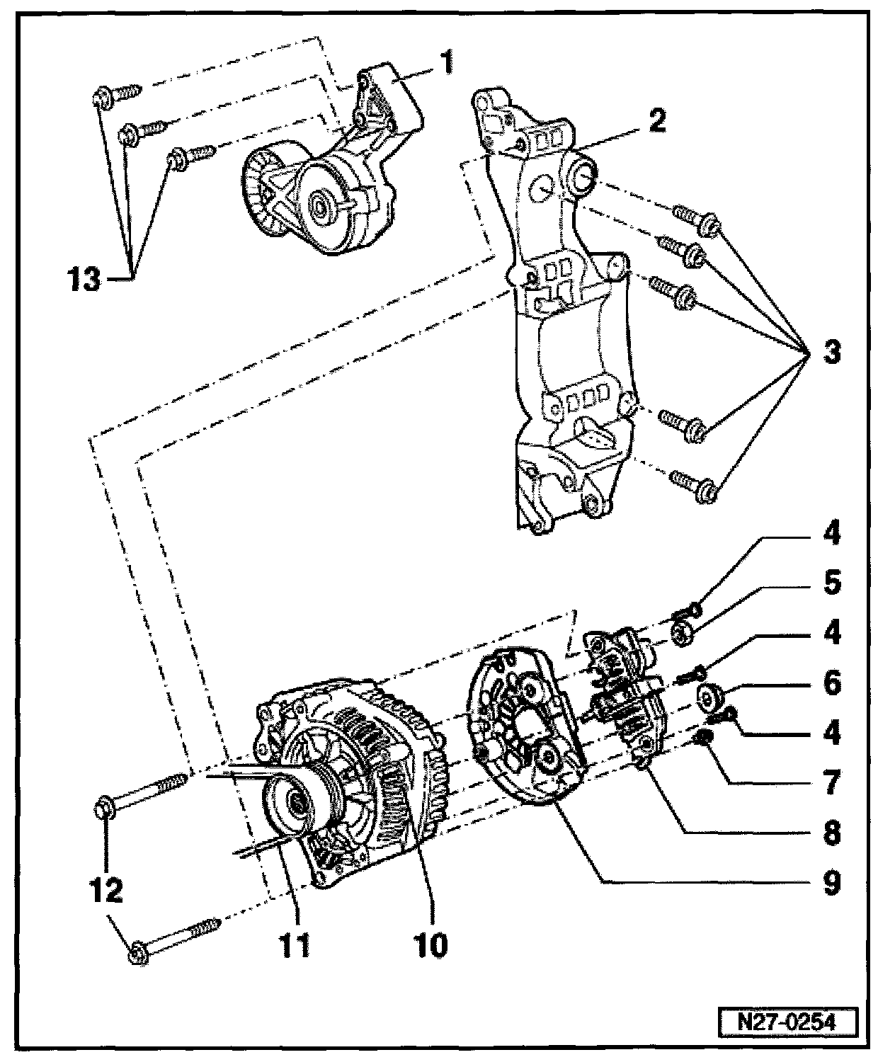
1 - Tensioning - roller
2 - Bracket
3 - Hex socket bolts

- M10 x 45 mm
- 45 Nm
4 - Screws
5 - Hex nut

- M8
6 - Hex nut
- M8
7 - Screw
8 - Voltage Regulator (VR)

9 - Protective cap
10 - Generator - (GEN)

11 - Ribbed belt
12 - Hex bolts
- M8 x 85 mm
- 25 Nm
13 - Hex bolts
- M8 x 45 mm
- 25 Nm