Curiosii for ever!: Car repair manuals for everyone.

Compressor HVAC: Service and Repair




Compressor Bracket Removing And Installing







4-cylinder gasoline engine

Special tools and equipment required
- Torque wrench (5-50 Nm)


NOTE: The compressor bracket and related components can be removed and installed without discharging the refrigerant circuit.


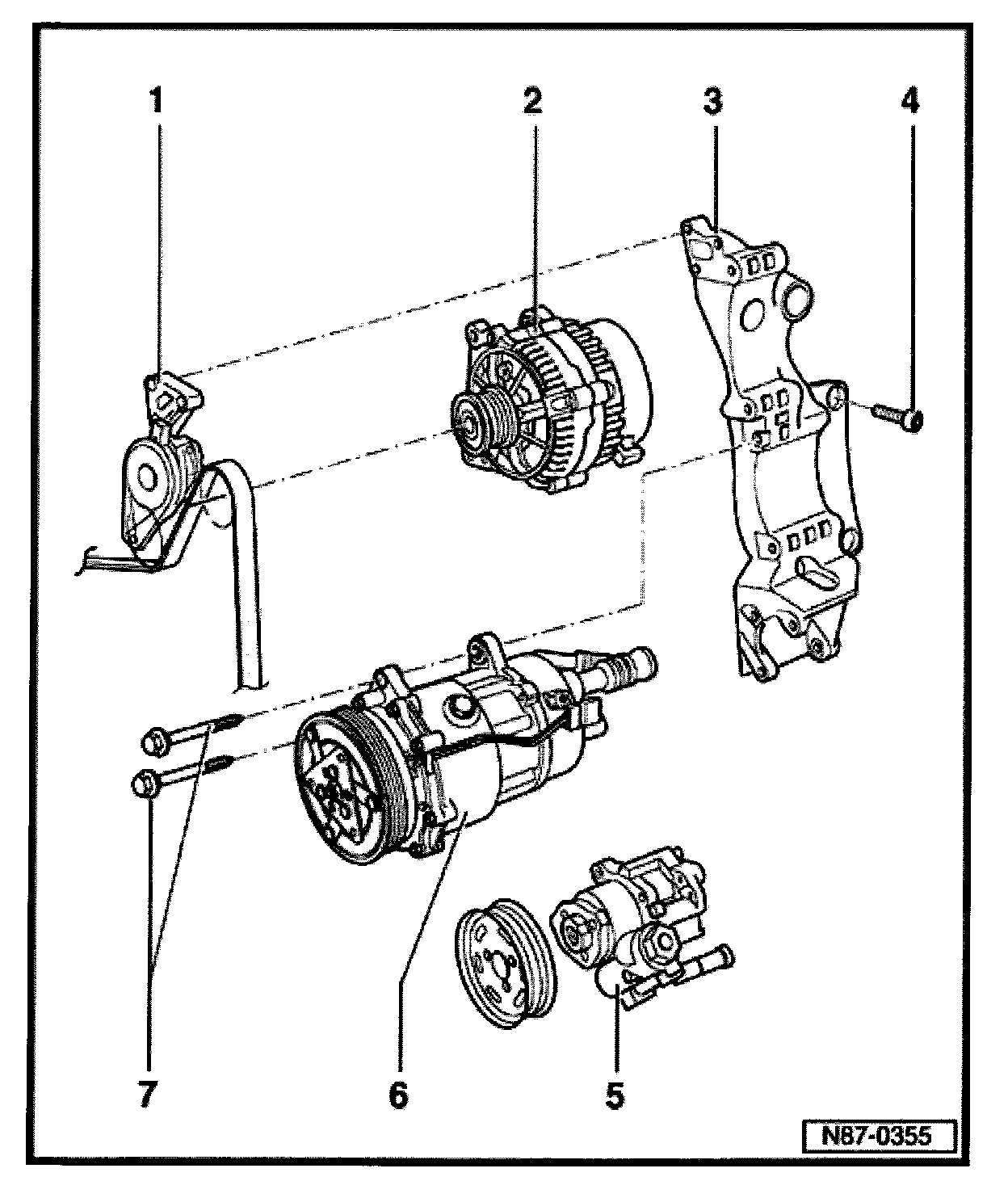
1 - Ribbed belt tensioner
- Ribbed belt routing See Fig. 1
- Ribbed belt, removing:
2 - Generator
- Removing:
3 - Bracket for generator, compressor and power steering pump
- Removing:
- First remove generator and power steering pump.
- Remove bolts -7-
- Remove compressor from bracket and suspend with wire on body.
- Remove socket head bolts -4- (qty. 4)
- Remove bracket from engine block.
4 - Socket head bolt M10x55
- Qty. 4
- 50 Nm (37 ft lb)
5 - Power steering pump
- Removing:
6 - Compressor
- Manufacturer: Sanden, designation: SD7V16
- Manufacturer: Zexel, designation: DCW-17D
- With A/C clutch - N25-
7 - Bolt M10x112
- 45 Nm (33 ft lb)

Fig. 1 Ribbed belt routing







NOTE: Before removing ribbed belt, mark direction of rotation. When installing the belt ensure it is correctly seated in the pulley.