Curiosii for ever!
: Car repair manuals for everyone.
Home
>>
Volkswagen
>>
2000
>>
Passat Sedan (3B2) V6-2.8L (AHA)
>>
Repair and Diagnosis
>>
Diagrams
>>
Exploded Views
>>
Antilock Brakes / Traction Control Systems
>>
System Diagram
>>
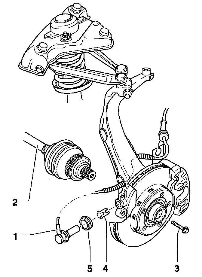
Front Axle Components Removing and Installing
Front Axle Components Removing and Installing