Curiosii for ever!: Car repair manuals for everyone.

Compressor HVAC: Service and Repair




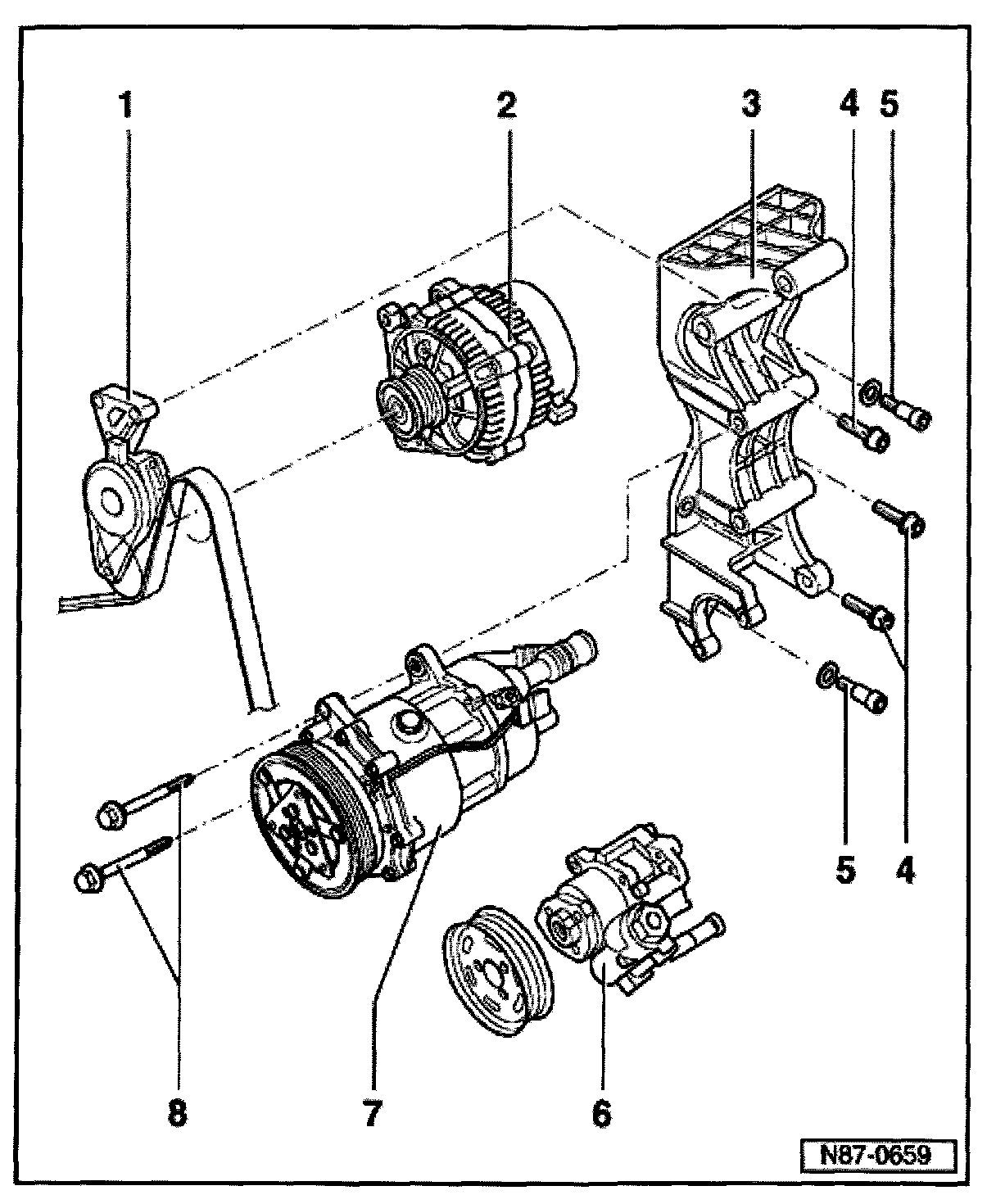
Compressor Bracket Removing And Installing


6-cylinder engine







Special tools and equipment required
- Torque wrench (5-50 Nm)


NOTE: The compressor bracket and related components can be removed and installed without discharging the refrigerant circuit.


1 - Ribbed belt tensioner
- Ribbed belt routing See Fig. 1
2 - Generator (GEN)
- Removing:
3 - Bracket for generator, compressor and power steering pump
- Removing:
- Move lock carrier into service position.
- Remove ribbed belt
- Remove generator and power steering pump.
- Remove bolts -8-
- Remove compressor from bracket and suspend with wire on body.
- Remove socket head bolts -4- and -5-
- Remove bracket from engine block.
4 - Socket head bolt M8x30
- 25 Nm (18 ft lb)
- Qty. 3
5 - Socket head bolt M8x28
- 25 Nm (18 ft lb)
- Qty. 2
6 - Power steering pump
- Removing:
7 - Compressor
- Manufacturer: Sanden, designation: SD7V16
- Manufacturer: Zexel, designation: DCW-17D
- With A/C clutch -N25-
8 - Bolt M10x112
- 45 Nm (33 ft. lb.)

Fig. 1 Ribbed belt routing







NOTE: Before removing ribbed belt, mark direction of rotation. When installing the belt ensure it is correctly seated in the pulley.


1 - Ribbed belt tensioner
2 - Generator pulley
3 - Compressor pulley
4 - Power steering pump pulley
5 - Crankshaft pulley/vibration dampener
6 - Water pump pulley