Curiosii for ever!: Car repair manuals for everyone.

With Generic Scan Tool



Mass Air Flow (MAF) Sensor, Checking


Recommended special tools and equipment
- V.A.G 1526 multimeter or V.A.G 1715 multimeter
- V.A.G 1594 connector test kit
- Wiring diagram

Test requirements






- The respective fuse of Mass Air Flow (MAF) sensor -G70- must be OK:
- Battery voltage must be at least 11.5Volts.
- All electrical consumers such as, lights and rear window defroster must be switched off.
- Parking brake must be engaged or else daylight driving lights will be switched on.
- For vehicles with automatic transmission, selector lever must be in -P-.
- If vehicle is equipped with an A/C system, it must be switched off.
- Ground (GND) connections between engine and chassis must be OK.
- Coolant temperature must be at least 80°C, Diagnostic mode 1: Check measured values; PID 5, Coolant temperature.

Vehicles 09.99 >

- Fuel Pump Relay -J17- must be ok:

Function test
- Connect diagnostic tester
- Start engine and let run at idle.
- Under address word 33, select "Diagnostic mode 1: Check measured values."
- Select the measuring value "PID 16: Air flow quantity at Mass Air Flow (MAF) sensor".
- Check specified value of air flow quantity at Mass Air Flow (MAF) sensor at idle:






- End diagnosis and switch ignition off.

If specified value is obtained, but DTC memory has a DTC concerning Mass Air Flow (MAF) sensor:
- Check voltage supply of Mass Air Flow (MAF) sensor.

If specified value is not obtained:
- Check signal and Ground (GND) wires of Mass Air Flow (MAF) sensor.

Voltage supply for Mass Air Flow (MAF) sensor, checking

Vehicles > 08.99






- Disconnect 4-pin connector -1- from Mass Air Flow (MAF) sensor -G70- (-2-).
- Connect multimeter to terminals 1 + 3 of connector for voltage measurement.
- Start engine, and let run at idle.
Specified value: 11.0 to 15.0 V

- Switch ignition off.

If there is no voltage:
- Locate and repair open circuit using wiring diagram:

If voltage supply and wires are OK:
- Check signal and Ground (GND) wire of Mass Air Flow (MAF) sensor.

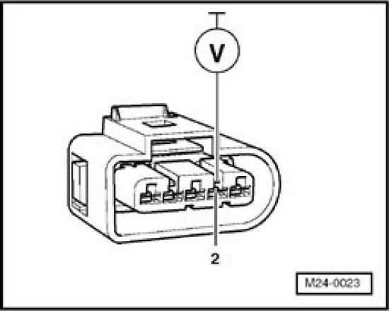
Vehicles 09.99 >






- Disconnect 5-pin connector -1- from Mass Air Flow (MAF) Sensor -G70- (-2-).






- Connect multimeter to terminal 2 of connector and engine Ground (GND) for voltage measurement.
- Start engine, and let run at idle.
Specified value: 11.0 to 15.0 V

- Switch ignition off.

If there is no voltage:
- Check wire between 5-pin connector terminal 2 and the Fuel Pump (FP) Relay -J17- for open circuit according to wiring diagram.
Wire resistance: max. 1.5 ohms

If voltage supply and wires are OK:






- Connect multimeter to terminal 4 of connector and engine Ground (GND) for voltage measurement.
- Switch ignition on.
Specified value: at least 4.5 V

- Switch ignition off.

If there is no voltage:
- Check signal and Ground (GND) wires of Mass Air Flow (MAF) sensor

Checking signal and Ground wires of Mass Air Flow (MAF) Sensor

- Connect test box to control module wiring harness.

Vehicles > 08.99






- Check wires between test box and 4-pin connector to Engine Control Module (ECM) for open circuit according to wiring diagram.
Terminal 2 + socket 16
Terminal 4 + socket 17
Wire resistance: max. 1.5 ohms

Vehicles 09.99 >






- Check wires between test box and 5-pin connector to Engine Control Module (ECM) for open circuit according to wiring diagram.
Terminal 3 + socket 12
Terminal 4 + socket 11
Terminal 5 + socket 13
Wire resistance: max. 1.5 ohms

Continue for all vehicles

- Check wires for short circuit to each other, to vehicle Ground (GND) and to B+.
Specified value: infinite ohms

If no DTCs are found in wires:
- Replace Mass Air Flow (MAF) Sensor -G70-.

- Erase DTC memory of Engine Control Module (ECM), Diagnostic mode 4: Reset/erase diagnostic data.
- Generate readiness code.