Curiosii for ever!: Car repair manuals for everyone.

Air Flow Meter/Sensor: Service and Repair



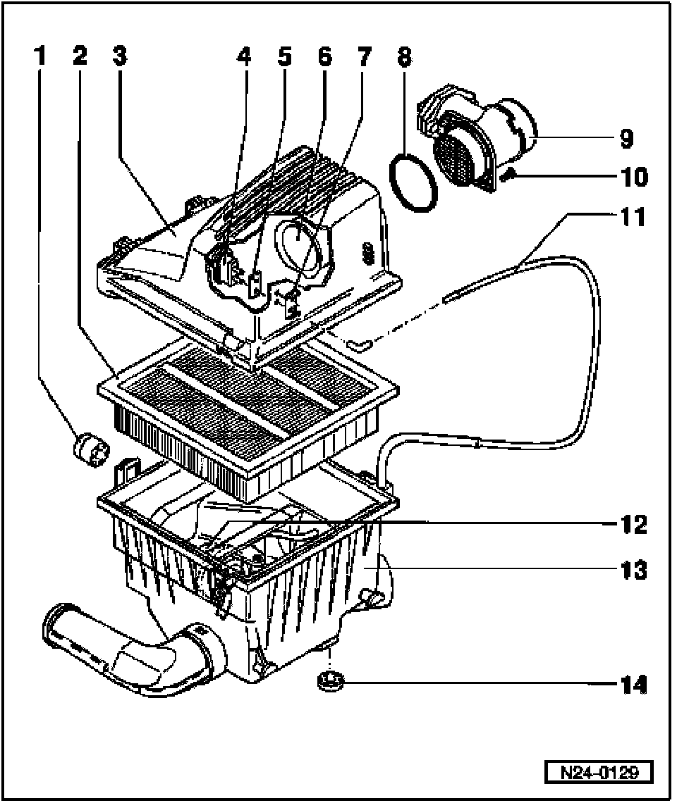
Air Cleaner, Disassembling And Assembling







1 Rubber grommet
2 Filter element
3 Air cleaner upper section
4 Temperature regulator
- For intake air preheating
- Metal connecting pipe or with notch to regulating flap
- Checking intake air preheating
5 Gasket
- Replace if damaged
6 Air guide
- To remove unclip downward out of air cleaner upper section
7 Securing plate
8 O-ring
- Replace if damaged
9 Mass Air Flow (MAF) sensor -G70-*
10 10 Nm
11 Vacuum pipe
12 Vacuum unit
13 Air cleaner lower section
14 Packing