Curiosii for ever!
: Car repair manuals for everyone.
Home
>>
Volkswagen
>>
1999
>>
Golf (1J1) L4-2.0L (AEG)
>>
Repair and Diagnosis
>>
Specifications
>>
Mechanical Specifications
>>
Brakes and Traction Control
>>
System Specifications
>>
Technical Data
Technical Data
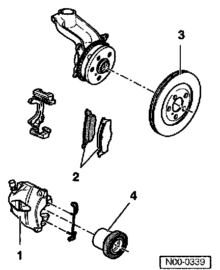
Technical Data-Brakes
Vehicles With FS III Front
Brake Calipers
Vehicles With FN 3 Front
Brake Calipers
Vehicles With Rear Disc Brakes