Curiosii for ever!: Car repair manuals for everyone.

Air Flow Meter/Sensor: Service and Repair




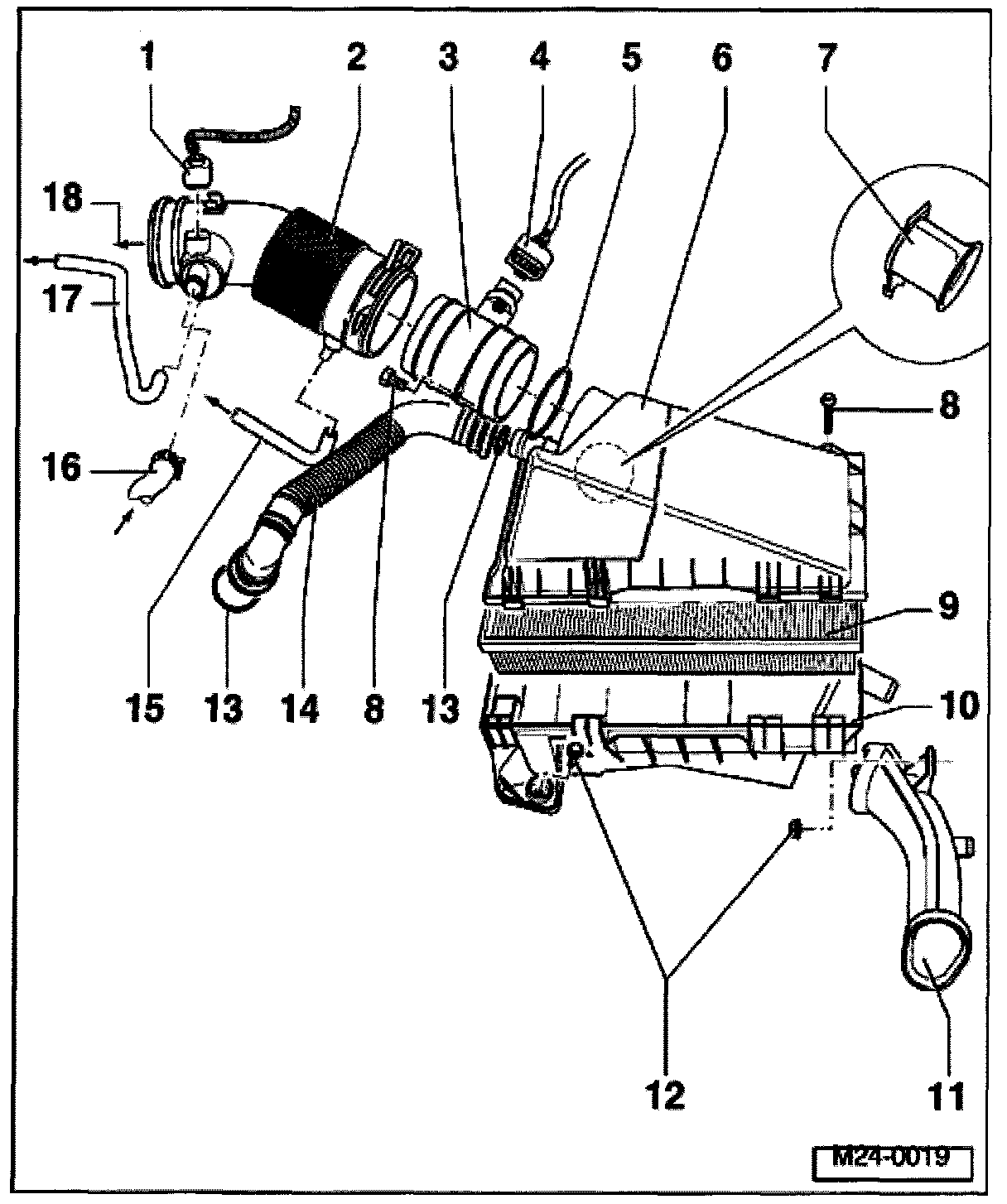
Air Cleaner:






3 - Mass Air Flow (MAF) sensor -G70-* with Intake Air Temperature (IAT) sensor -G42-*
- Checking -G70- Testing and Inspection
- Checking -G42- Testing and Inspection
- Sensor and harness connector terminals are gold plated