Charging System
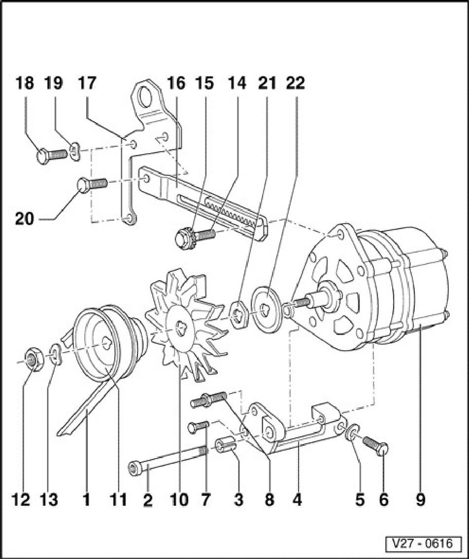
Generator, removing/installing, Generator (GEN) (V-belt)Fuel injection
1. V-belt
Checking and adjusting V-belt tension Page 27-34
2. Hex-head bolt M8 x 90
35 Nm (26 ft lb)
3. Bush
4. Bracket
5. Washer
6. Hex bolt
7. Hex bolt
8. Stud
9. Generator (GEN)
10. Fan wheel
Note direction of rotation, marked with an arrow
11. V-belt pulley
Diameter 70 mm
12. Hex nut
50 Nm (37 ft lb)
13. Washer
14. Hex bolt M8 x 35
35 Nm (26 ft lb)
15. Tensioning nut
16. Tensioning bracket
17. Lift bracket
18. Hex bolts M8 x 25
20 Nm (15 ft lb)
19. Washer
20. Hex bolt M8 x 20
20 Nm (15 ft lb)
21. Spacer
22. Washer