Curiosii for ever!: Car repair manuals for everyone.

California Vehicles (Digifant I) 38-Pin Connector

Digifant I 38 Pin Control Unit Connector:





DIGIFANT I ECM TERMINAL I.D.

Engine Management (Digifant) & Ignition System:




Engine Management (Digifant):




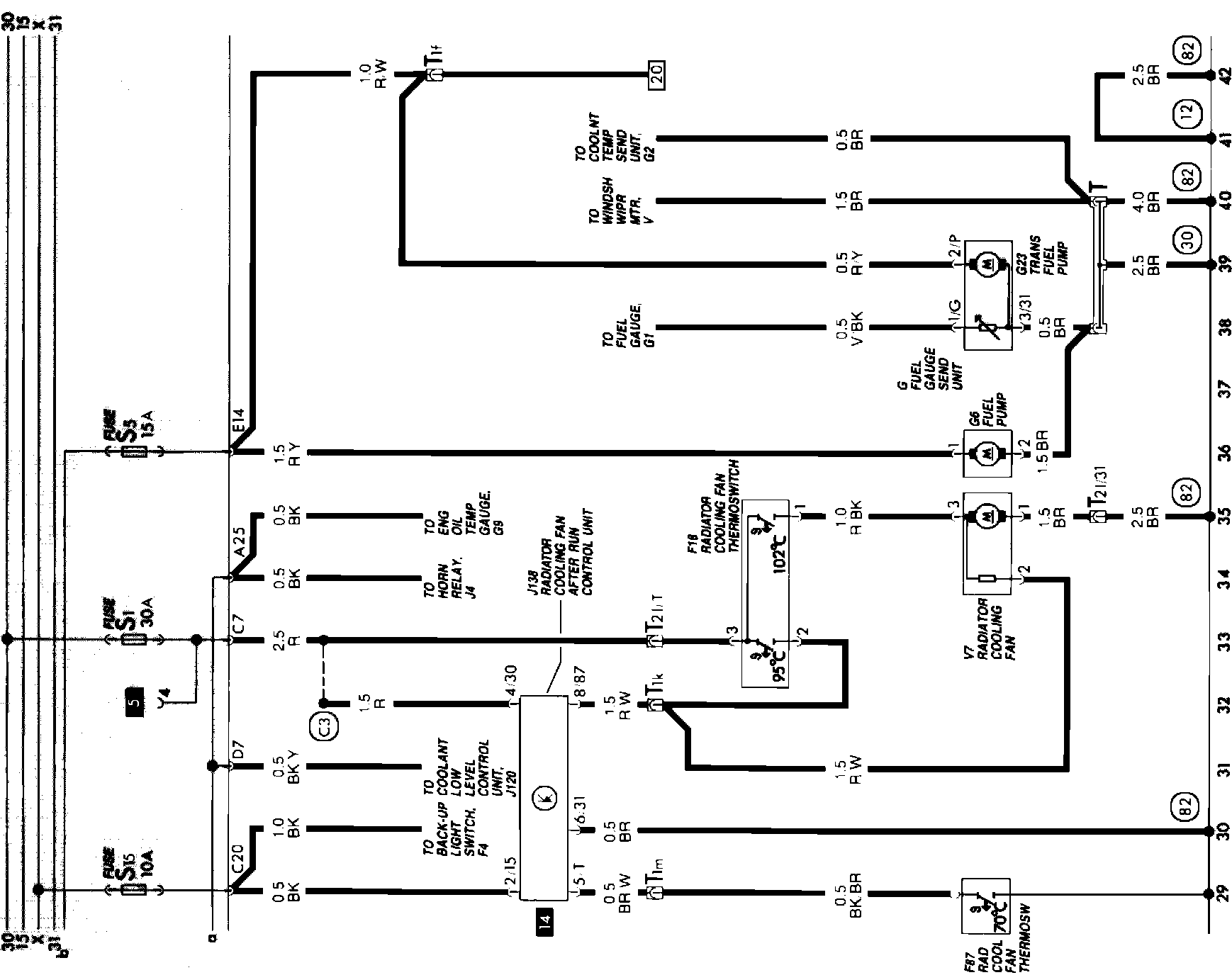
Cooling Fan (Engine), Engine Management (Digifant) & Fuel Pump:





DIGIFANT FUEL INJECTION SYSTEM (CALIFORNIA VEHICLES)

Digifant I Engine Management System:





COMPONENT DIAGRAM

Digifant I Engine Management System:





SYSTEM WIRING HARNESS


For more complete information refer to CHASSIS ELECTRICAL DIAGRAMS.