Curiosii for ever!: Car repair manuals for everyone.

Fuel Filter: Service and Repair

To replace the Fuel Filter:

WARNING: Fuel will be expelled during this procedure. Place a container under work area to catch any spilling fuel, use a clean rag to soak up any spilled fuel around container. Do not disconnect any wires that could cause electrical sparks. Do not smoke or work near heaters or other fire hazards. Keep a fire extinguisher handy.

Fuel Pump:





1. Disconnect the negative (-) battery terminal.

CAUTION: Absolute cleanliness is essential when working with fuel circuit components of CIS-E. Even a minute particle of dirt can cause major trouble if it reaches the fuel distributor or fuel injectors. Before disconnecting any of the fuel line connections, throughly clean the unions. Always use clean tools.

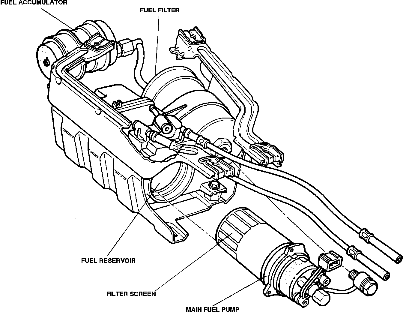
Fuel Delivery Components:





2. Slowly loosen and then remove the inlet and outlet banjo fittings from the filter.

CAUTION: When loosening the fuel filter fittings, always use two wrenches and hold the fuel filter housing by the molded nut. Loosening the fittings alone may twist the filter mounting bracket and damage the plastic fuel reservoir.

3. Loosen the filter clamping bolt and pull the filter from the mounting bracket.
4. Install new filter, making sure the arrows marked on the filter correspond to the direction of fuel flow.
5. Tighten the filter clamping bolt.
6. Install new sealing washers on either side of the banjo fittings and torque the banjo fittings to:

Inlet fitting
18 ft.lbs. (25 Nm)

Outlet fitting
15 ft.lbs. (20 Nm)

7. Reinstall the negative (-) battery terminal.
8. START the car and check for leaks, repair any leaks immediately.