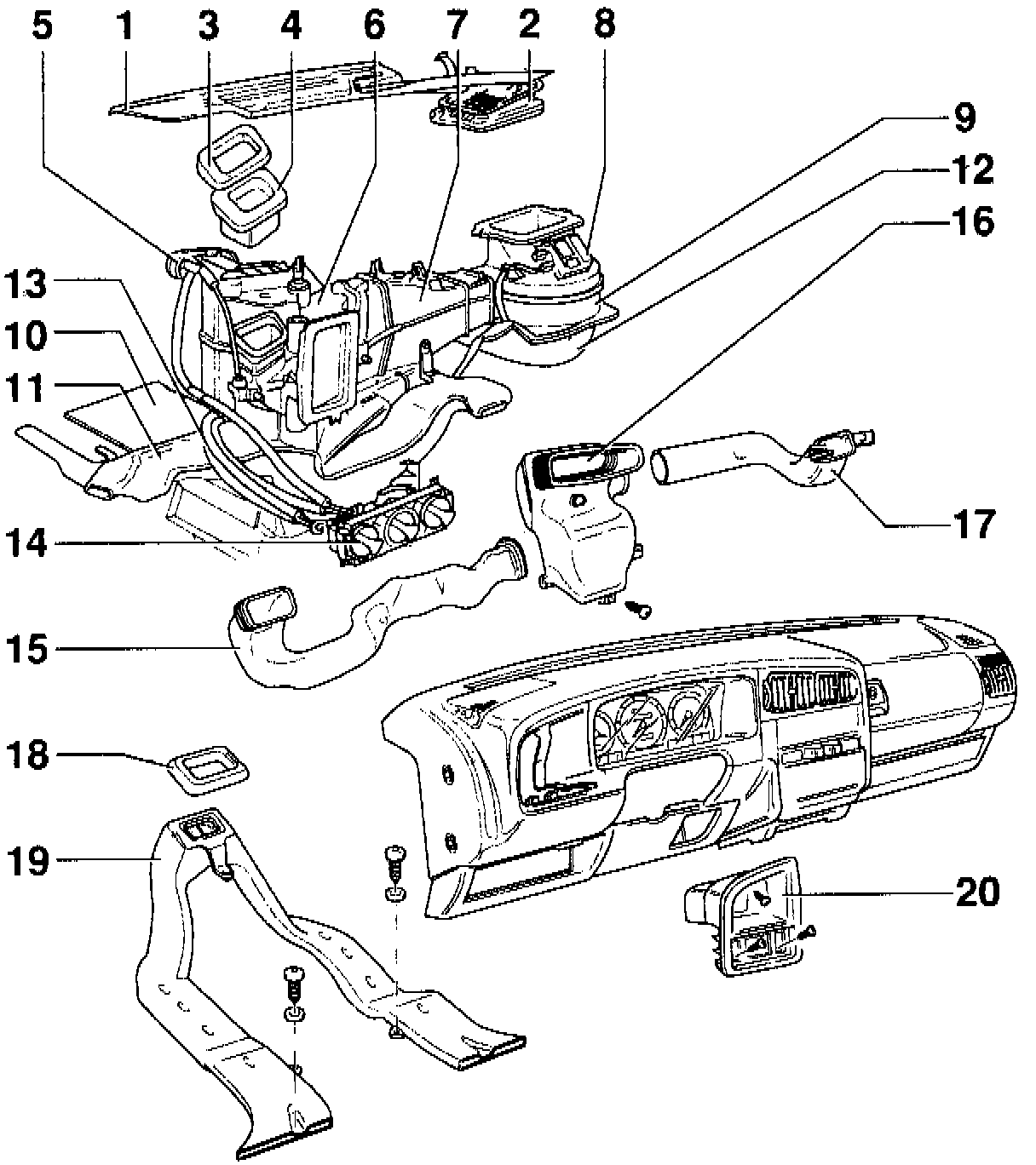
Components
Heating System, Servicing
Caution: Always disconnect the battery ground strap before working on the electrical system.
Note: Before disconnecting battery, obtain radio code for radios with anti-theft coding.
1 - Plenum chamber cover
2 - Air intake
3 - Gasket
4 - Intermediate piece
5 - Heat exchanger
6 - Air distribution housing
7 - Air duct with main shut-off flap
8 - Fresh air blower series resistance with fuse -N24-
9 - Fresh air blower -V2-
10 - Cover for foot pedals
11 - Footwell vent
12 - Cover for air duct
13 - Cables
14 - Heated air and fresh air controls
15 - Air duct, left
16 - Air distribution
17 - Air vent, right
18 - Seal for rear duct
19 - Rear duct
20 - Air vent