Curiosii for ever!: Car repair manuals for everyone.

Body and Frame: Service and Repair




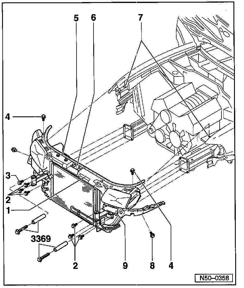
Lock carrier, removing and installing

1- Lock carrier with attachments

Removing:
- Remove noise insulation / splash guard.
- Remove turn signals.
- Disconnect bowden cable -6- from coupling and disconnect electrical connections.
- Remove front bumper and remove side mounted guide from fender. Service and Repair
- Disconnect charge air cooler hoses (only certain engines).
- Drain coolant and disconnect coolant hoses.
- Remove condenser from lock carrier.
Repair Manual Heating and Air Conditioning
- Remove oil cooler from lock carrier.

CAUTION! Do not allow condenser and oil cooler to hang from lines and hoses. Do not kink condenser and oil lines/hoses

Installing:
- Align lock carrier to long members and fenders.
- Adjust headlights.

2- Bolt
Qty. 6
50 Nm (37 ft lb)

3- Bolt
50 Nm (37 ft lb)

4- Bolt
Qty 2
8 Nm (71 In lb)

5- Seal


6- Bowden cable

7- Hole in side panel (fender mounting flange)

8- Bolt
Qty. 2

9- Hole for special tool
Support tool 3369

Lock carrier - service position
- Remove front bumper. Service and Repair
- Remove air guide between lock carrier and air cleaner on lock carrier.
- Remove bolt -3- and thread in special tool 3369 on left and right long members.
- Remove bolts -2- and -4- and pull lock carrier (in area of special tool 3369) forward.