Curiosii for ever!: Car repair manuals for everyone.

Engine Control Module, Component Layout

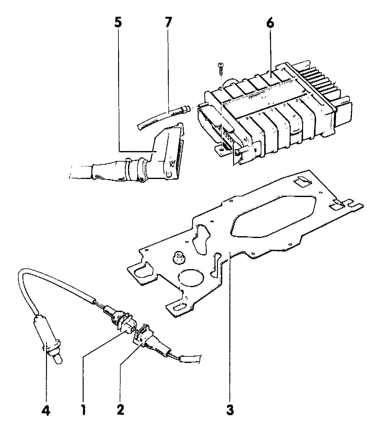
Control unit, component layout






1 - Connector
- for Oxygen sensor probe (signal) and oxygen sensor heater
- check heater resistance across white wires
- must be 3 to 4 Ohms
2 - Harness connector
- for Oxygen sensor/Oxygen sensor heater
- check supply voltage at white wires, with engine running
- must be approx. battery voltage
3 - Mounting plate
4 - Oxygen sensor
- 20 Nm (15 ft lb)
- checking, Testing and Inspection
- install using G5 anti-sieze compound but do not allow compound to enter probe slots
5 - Harness connector
CAUTION! Ignition must be switched off before connecting or disconnecting!
- for Digifant control unit (J 169)
- to disconnect: disengage spring clip on control unit
6 - Digifant control unit (J 169)
- controls. Fuel injection, Ignition, Boost pressure, Oxygen sensor and idle stabilization
- location: in right side of plenum
- remove fresh air intake before removing control unit
7 - Vacuum line
- critical length 1 meter, do NOT lengthen or shorten
- only use correct replacement part, black with yellow stripe