Curiosii for ever!: Car repair manuals for everyone.

Throttle Full Close Switch: Locations

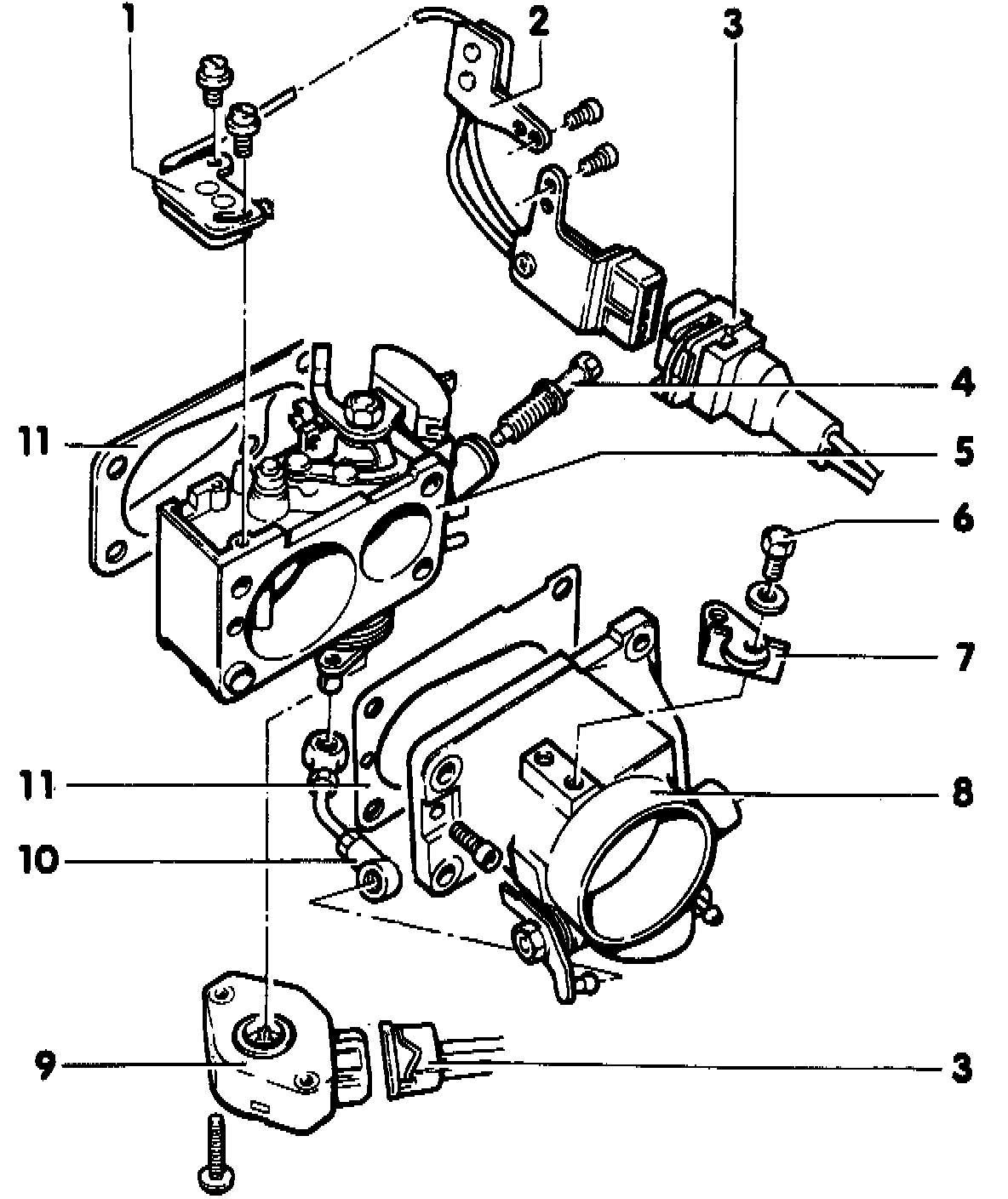
Throttle switches, component layout







1 - Full throttle switch (F 81)
- for 49 states and Canada starting model year 1990
- for California model year 1990 only
- checking/adjusting, Testing and Inspection
2 - Idle switch (F 60)
- for 49 states and Canada starting model year 1990
- for California model year 1990 only
- checking/adjusting, Throttle Full Open Switch
3 - Harness connector
4 - Idle speed adjustment screw
- idle speed checking/adjusting, Testing and Inspection
- check 0-ring for damage, replace it necessary
5 - Throttle body
basic throttle adjustment, Testing and Inspection
6 - 10 Nm (7 ft lb)
7 - Throttle stop
accelerator cable adjustment, Testing and Inspection
8 - Bypass valve body
adjustment, checking Testing and Inspection
9 - Throttle potentiometer (G 69)
- for automatic transmission only
- for 49 states and Canada starting model year 1991
10 - Connecting rod
11 - Gasket
always replace