Curiosii for ever!
: Car repair manuals for everyone.
Home
>>
Volkswagen
>>
1988
>>
Fox L4-1781cc 1.8L SOHC
>>
Repair and Diagnosis
>>
Diagrams
>>
Exploded Views
>>
Shift Linkage, M/T
Shift Linkage, M/T
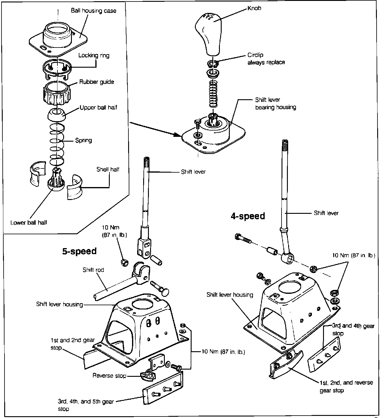
Shifter Exploded View:
Shift Mechanism Exploded View: