Curiosii for ever!
: Car repair manuals for everyone.
Home
>>
Volkswagen
>>
1987
>>
Scirocco L4-1781cc 1.8L DOHC
>>
Repair and Diagnosis
>>
Powertrain Management
>>
Locations
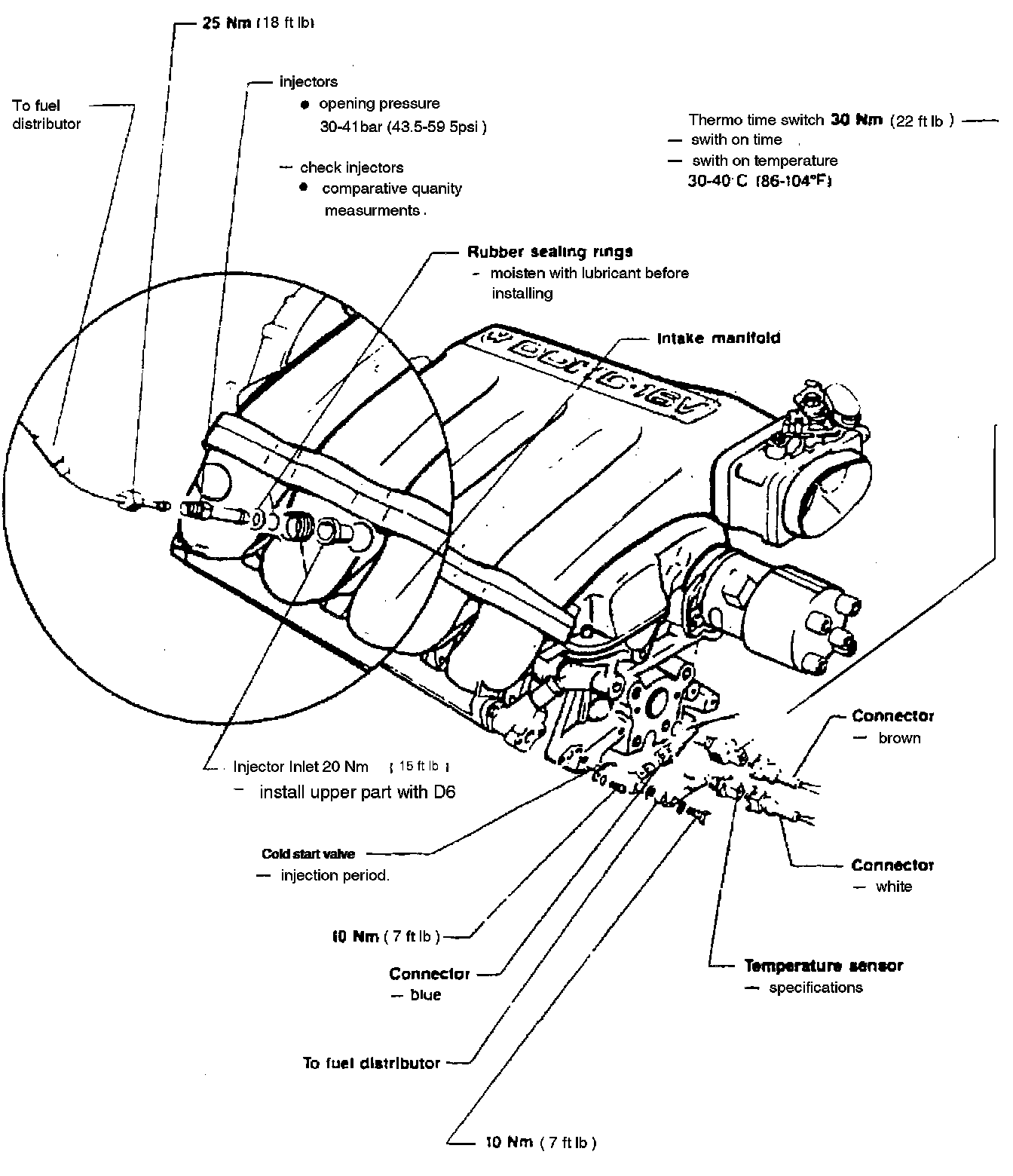
Powertrain Management: Locations