Curiosii for ever!: Car repair manuals for everyone.

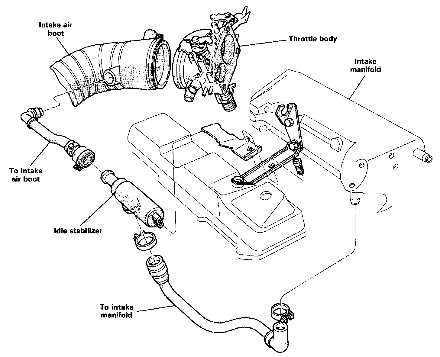
Idle Stabilization (Digifant II)

DIGIFANT II




Idle Stabilization

The idle stabilization system used on the Digifant II system insures that the idle speed remains constant at predetermined levels. The system controls the amount of air bypassing the throttle plate.

If engine idle speed varies from the value stored in the control unit, the idle stabilizer valve will adjust the volume of air entering the engine at idle. This maintains idle speed within certain limits.

The idle stabilizer is operated by the E.C.U. The E.C.U. receives inputs from the following components:

- Idle switch
- Coolant temperature sensor
- A/C compressor clutch
- Hall sender




The Digifant II E.C.U. supplies the idle stabilizer with approximately 400 mA of current at idle. This current is passed through a set of electrical windings inside the valve. This creates a magnetic field that regulates the position of the valve plunger.

If the idle speed varies from the specifications programmed into the Digifant E.C.U., the control current to the idle stabilizer is increased or decreased to maintain the correct idle speed.

If the idle speed drops below specification, such as a drop caused by power steering load, the current to the idle stabilizer is increased. This opens the valve plunger farther, allowing more air to bypass the throttle plate and increase the idle speed to within specifications.

The control current may fluctuate between approximately 380 mA to 1000 mA due to the following conditions:

- The engine is cold.
- The power steering is turned fully to lock.
- The automatic transmission is in gear.
- Electrical consumers such as headlights, coolant fan, etc. are operating.

In addition to the normal fluctuations caused by these conditions, the stabilizer current is increased by a pre-set value whenever the A/C compressor clutch is engaged.

If a fault develops in the coolant temperature sensor circuits, or when the sensor is disconnected for basic engine adjustments, the Digitant E.C.U. delivers a default value of approximately 430 mA to the stabilizer.