Curiosii for ever!
: Car repair manuals for everyone.
Home
>>
Volkswagen
>>
1984
>>
Rabbit Hatchback L4-1588cc 1.6L DSL SOHC
>>
Repair and Diagnosis
>>
Diagrams
>>
Exploded Views
>>
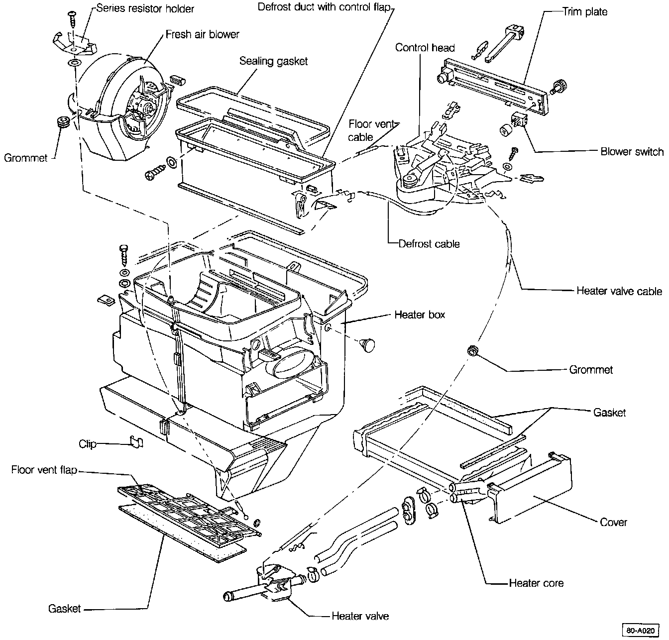
Heater Core Case
>>
Without A/C
Without A/C