Curiosii for ever!: Car repair manuals for everyone.

Engine Mount



Engine Tightening Specifications

Threaded Connection Tightening Torque

Subframe Mount Tightening Specifications

- (Bolts oiled)

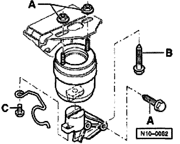
Right subframe mount:






- A 55 Nm

- B 50 Nm
- + 1/4 rotation (90 °)

- C 10 Nm

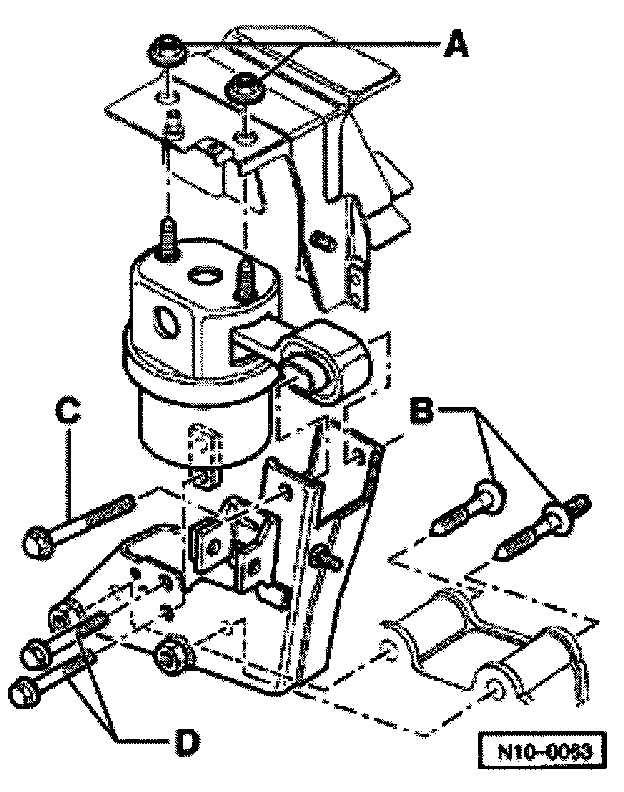
Left subframe mount:






- A 55 Nm

- B 50 Nm
- + 1/4 rotation (90 °)

- C 50 Nm
- + 1/4 rotation (90 °)

- D 30 Nm

Pendulum support






1. Pendulum support to subframe (1) 200 Nm

(1) Replace bolts.