Curiosii for ever!: Car repair manuals for everyone.

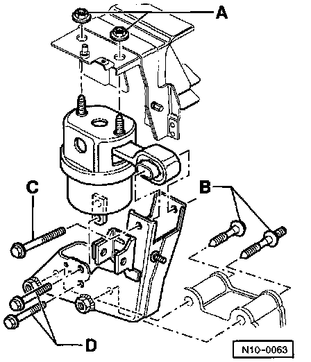
Engine Mount


Tightening Specifications

NOTE: Tightening Torques With Bolts Oiled

Right Side Assembly Mounting





A = 55 Nm (41 ft lb)
B = 60 Nm (44 ft lb)
C = 10 Nm (7 ft lb)

Left Side Assembly Mounting





A = 55 Nm (41 ft lb)
B = 50 Nm (37 ft lb) + 1/4 turn (90°) further
C = 60 Nm (44 ft lb)
D = 30 Nm (18 ft lb)