Curiosii for ever!
: Car repair manuals for everyone.
Home
>>
Volkswagen Truck
>>
1982
>>
Vanagon F4-1970cc 2.0L
>>
Repair and Diagnosis
>>
Powertrain Management
>>
Computers and Control Systems
>>
Testing and Inspection
>>
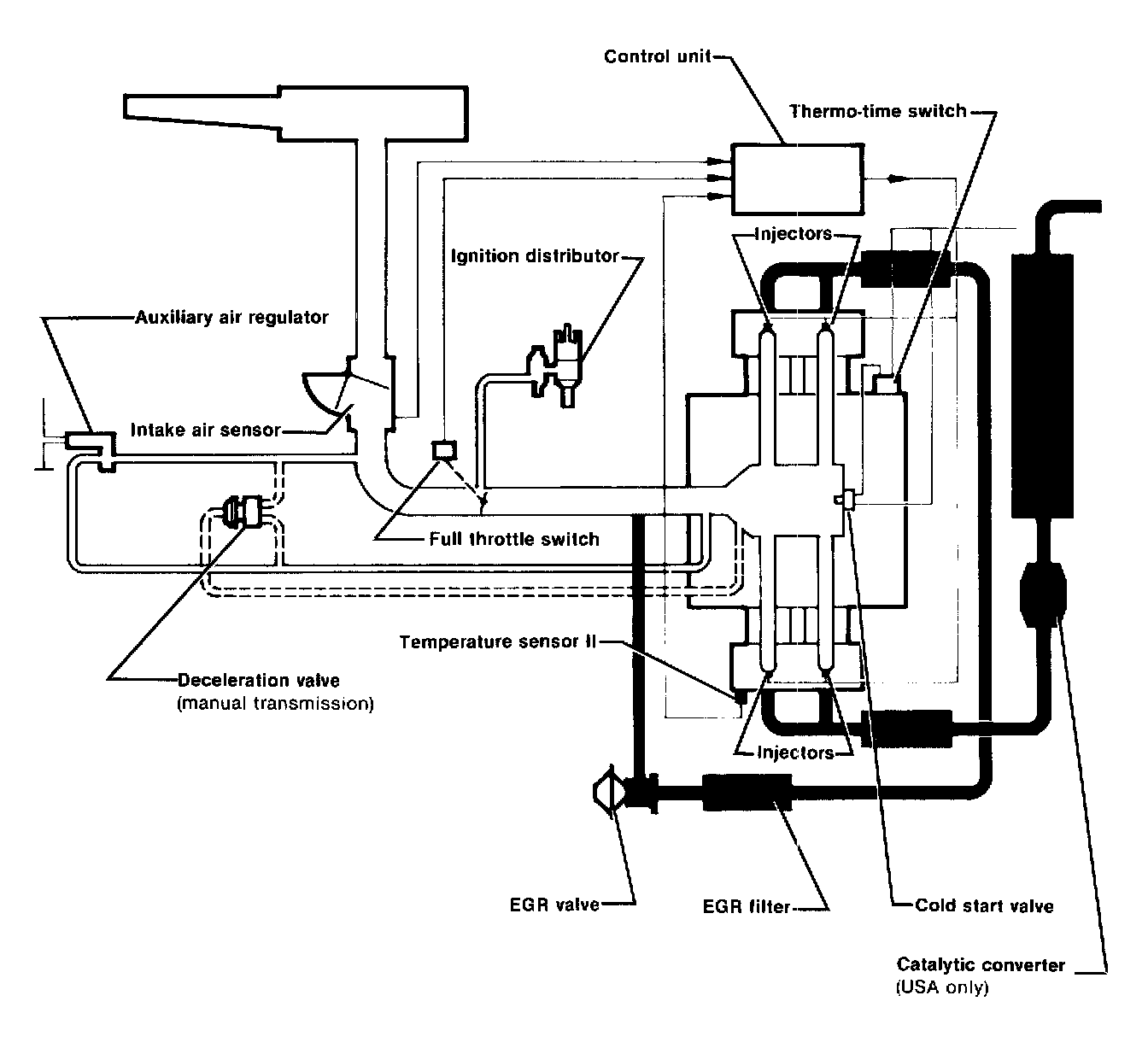
System Component Layout
System Component Layout
Engine Mounted Components:
Canada And USA Except California:
California Only: