Curiosii for ever!: Car repair manuals for everyone.

Engine Does Not Start





THEFT DETERRENT / KEYLESS ENTRY: SMART KEY SYSTEM (for Start Function): Engine does not Start; 2013 MY Corolla [07/2012 -]
- Engine does not Start

DESCRIPTION

1. ENGINE START SYSTEM FUNCTION

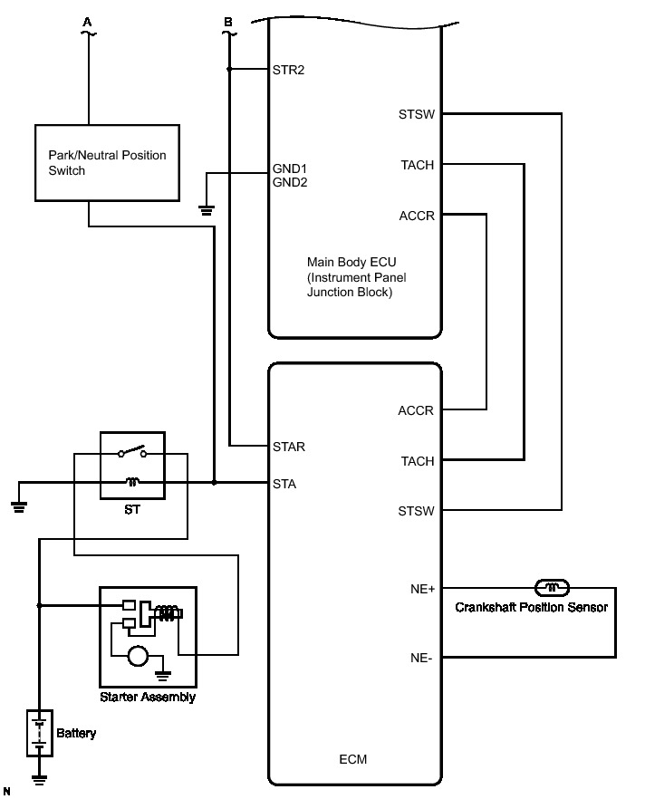
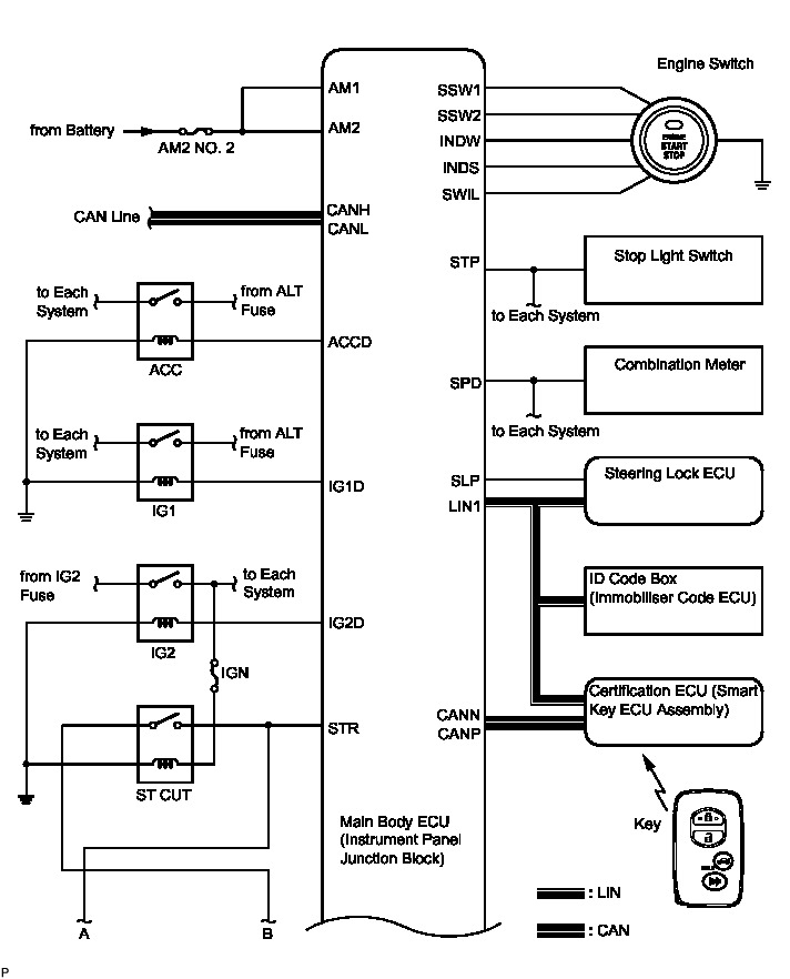
(a) If the engine switch is pressed with the shift lever is in P or N and the brake pedal depressed, the main body ECU (instrument panel junction block) determines that it is an engine start request.

(b) The certification ECU (smart key ECU assembly) and other ECUs perform key verification via the LIN communication line.

(c) The main body ECU (instrument panel junction block) activates the ACC relay.

(d) The main body ECU (instrument panel junction block) activates the IG1 and IG2 relays.

(e) The certification ECU (smart key ECU assembly) outputs a steering UNLOCK signal. The signal is sent to the main body ECU (instrument panel junction block) via the steering lock ECU.

(f) The main body ECU (instrument panel junction block) sends an engine start request signal to the ECM.

(g) The ECM sends an ACC cut request signal to the main body ECU (instrument panel junction block).

(h) The ECM and main body ECU (instrument panel junction block) activate the ST relay.

(i) The main body ECU (instrument panel junction block) deactivates the ACC relay until the main body ECU (instrument panel junction block) detects an engine start.

(j) When engine revolution speed reaches 1200 rpm, the ECM determines that the engine has been started.

The ECM stops sending an ACC cut request signal to the main body ECU.

The main body ECU (instrument panel junction block) reactivates the ACC relay and turns off the engine switch indicator light, when engine revolution speed reaches 800 rpm.

















WIRING DIAGRAM

See CRANKING HOLDING FUNCTION CIRCUIT Cranking Holding Function Circuit.

INSPECTION PROCEDURE

1. EMERGENCY ENGINE START CONTROL

(a) If there is a malfunction in the stop light switch or STOP fuse, their signals may not be correctly transmitted to the main body ECU (instrument panel junction block). This may result in the engine not starting even if the engine switch is pressed while the brake pedal is depressed and the shift lever is in P.

To activate the starter:

(1) Turn the engine switch from off to on (ACC).

(2) Hold pressing and hold the engine switch for 15 seconds.

HINT
After the main body ECU (instrument panel junction block), certification ECU (smart key ECU assembly), steering lock ECU, ID code box (immobiliser code ECU) and/or ECM are/is replaced, perform the registration procedures for the engine immobiliser system Engine Immobilizer System (W/ Smart Key System).

PROCEDURE

1. CHECK THE ENGINE SWITCH CONDITION

(a) Check the power source mode changes.

(1) When the key is inside the vehicle and the shift lever is in P, check that the power source mode changes.

OK:

off -> on (ACC) -> on (IG) -> off

NG -- GO TO OTHER FLOW CHART Power Source Mode Does Not Change
OK -- Continue to next step.

2. CHECK FOR DTC

(a) Clear the DTCs Smart Key System (For Start Function).

(b) Check for DTCs again.

(c) Proceed to the next step based on the inspection result.

Result:





B -- GO TO DIAGNOSTIC TROUBLE CODE CHART (SMART KEY SYSTEM (STARTING)) Smart Key System (For Start Function)

C -- GO TO DIAGNOSTIC TROUBLE CODE CHART (STEERING LOCK SYSTEM) Steering Lock System

D -- GO TO DIAGNOSTIC TROUBLE CODE CHART (ENGINE IMMOBILISER SYSTEM) Engine Immobilizer System (W/ Smart Key System)

E -- GO TO DIAGNOSTIC TROUBLE CODE CHART (VEHICLE STABILITY CONTROL SYSTEM) Vehicle Stability Control System
A -- Continue to next step.

3. CHECK CRANKING FUNCTION

(a) Check the engine cranking function.

(1) When there is fuel in the fuel tank, the key is inside the vehicle, and the shift lever is in P, check that depressing the brake pedal and pressing the engine switch crank the engine.

Result:





A -- GO TO SFI SYSTEM SFI System
B -- Continue to next step.

4. READ VALUE USING TECHSTREAM (STARTER CONTROL)

(a) Connect the Techstream to the DLC3.

(b) Turn the engine switch on (IG).

(c) Read the Data List according to the displays on the Techstream screen.

Engine and ECT





Standard:





NG -- READ VALUE USING TECHSTREAM (PARK/NEUTRAL POSITION SWITCH)
OK -- Continue to next step.

5. PERFORM ACTIVE TEST USING TECHSTREAM (ST RELAY)

(a) Connect the Techstream to the DLC3.

(b) Turn the engine switch on (IG).

(c) Perform Active Test according to the prompts displayed on the Techstream.

Engine and ECT





(d) Measure the voltage according to the value(s) in the table below.





Standard Voltage:





NG -- INSPECT ST CUT RELAY
OK -- Continue to next step.

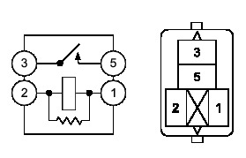
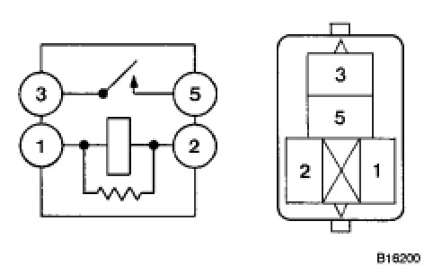
6. INSPECT ST RELAY

(a) Remove the ST relay from the relay block No. 8.





(b) Measure the resistance according to the value(s) in the table below.

Standard Resistance:





NG -- REPLACE ST RELAY
OK -- Continue to next step.

7. CHECK HARNESS AND CONNECTOR (ST RELAY TERMINAL VOLTAGE AND RESISTANCE)

(a) Measure the voltage according to the value(s) in the table below.





Standard Voltage:





(b) Measure the resistance according to the value(s) in the table below.

Standard Resistance:





NG -- REPAIR OR REPLACE HARNESS OR CONNECTOR, OR REPLACE FUSE
OK -- Continue to next step.

8. CHECK HARNESS AND CONNECTOR (ST RELAY - STARTER)

(a) Disconnect the B8 connector.





(b) Measure the resistance according to the value(s) in the table below.

Standard Resistance:





NG -- REPAIR OR REPLACE HARNESS OR CONNECTOR (ST RELAY - STARTER)
OK -- Continue to next step.

9. CHECK HARNESS AND CONNECTOR (BATTERY - STARTER)

(a) Disconnect the B4 connector.





(b) Measure the voltage according to the value(s) in the table below.

Standard Voltage:





NG -- REPAIR OR REPLACE HARNESS OR CONNECTOR (BATTERY - STARTER)

OK -- REPLACE STARTER ASSEMBLY

10. READ VALUE USING TECHSTREAM (PARK/NEUTRAL POSITION SWITCH)

(a) Connect the Techstream to the DLC3.

(b) Turn the engine switch on (IG).

(c) Read the Data List according to the displays on the Techstream screen.

Main Body





OK:

"ON" (Shift position is P or N) and "OFF" (Shift position is not P nor N) appear on the screen.

NG -- CHECK HARNESS AND CONNECTOR (MAIN BODY ECU - BODY GROUND)
OK -- Continue to next step.

11. READ VALUE USING TECHSTREAM (S CODE)

(a) Connect the Techstream to the DLC3.

HINT
When using the Techstream with the engine switch off, turn on and off any of the door courtesy light switches repeatedly at 1.5 second intervals or less until communication between the Techstream and vehicle starts.

(b) Turn the engine switch on (IG).

(c) Read the Data List according to the displays on the Techstream.

Smart Key





OK:

"OK" is displayed on the screen.

NG -- REGISTER RECOGNITION CODE (ECU CODE)
OK -- Continue to next step.

12. READ VALUE USING TECHSTREAM (L CODE)

(a) Connect the Techstream to the DLC3.

HINT
When using the Techstream with the engine switch off, turn on and off any of the door courtesy light switches repeatedly at 1.5 second intervals or less until communication between the Techstream and vehicle starts.

(b) Turn the engine switch on (IG).

(c) Read the Data List according to the displays on the Techstream.

Smart Key





OK:

"OK" is displayed on the screen.

NG -- REGISTER RECOGNITION CODE (ECU CODE)
OK -- Continue to next step.

13. READ VALUE USING TECHSTREAM (IMMOBILISER SYSTEM STATUS)

(a) Connect the Techstream to the DLC3.

HINT
When using the Techstream with the engine switch off, turn on and off any of the door courtesy light switches repeatedly at 1.5 second intervals or less until communication between the Techstream and vehicle starts.

(b) Turn the engine switch on (IG).

(c) Read the Data List according to the displays on the Techstream.

Immobiliser





OK:

UNSET (Engine switch ON) appears on the screen.

NG -- READ VALUE USING TECHSTREAM (ENGINE START REQUEST)

OK -- REPLACE MAIN BODY ECU (INSTRUMENT PANEL JUNCTION BLOCK)

14. CHECK HARNESS AND CONNECTOR (MAIN BODY ECU - BODY GROUND)

(a) Disconnect the E52 connector from the main body ECU (instrument panel junction block).





(b) Measure the resistance according to the value(s) in the table below.

Standard Resistance:





NG -- INSPECT PARK/NEUTRAL POSITION SWITCH

OK -- REPLACE MAIN BODY ECU (INSTRUMENT PANEL JUNCTION BLOCK)

15. INSPECT PARK/NEUTRAL POSITION SWITCH

(a) Disconnect the B88 connector.





(b) Measure the resistance according to the value(s) in the table below.

Standard Resistance:





NG -- REPLACE PARK/NEUTRAL POSITION SWITCH Removal
OK -- Continue to next step.

16. CHECK HARNESS AND CONNECTOR (MAIN BODY ECU - PARK/NEUTRAL POSITION SWITCH)

(a) Measure the resistance according to the value(s) in the table below.





Standard Resistance:





NG -- REPAIR OR REPLACE HARNESS OR CONNECTOR (MAIN BODY ECU - PARK/NEUTRAL POSITION SWITCH)
OK -- Continue to next step.

17. CHECK HARNESS AND CONNECTOR (PARK/NEUTRAL POSITION SWITCH - ECM)

(a) Disconnect the E50 connector from the ECM.





(b) Measure the resistance according to the value(s) in the table below.

Standard Resistance:





NG -- REPAIR OR REPLACE HARNESS OR CONNECTOR (PARK/NEUTRAL POSITION SWITCH - ECM)
OK -- Continue to next step.

18. INSPECT ST RELAY

(a) Remove the ST relay from engine room relay block.





(b) Measure the resistance according to the value(s) in the table below.

Standard Resistance:





NG -- REPLACE ST RELAY
OK -- Continue to next step.

19. CHECK HARNESS AND CONNECTOR (ECM - ST RELAY)

(a) Measure the resistance according to the value(s) in the table below.





Standard Resistance:





NG -- REPAIR OR REPLACE HARNESS OR CONNECTOR (ECM - ST RELAY)

OK -- REPAIR OR REPLACE HARNESS OR CONNECTOR (ST RELAY - BODY GROUND)

20. INSPECT ST CUT RELAY

(a) Remove the ST CUT relay from the relay block No. 8.





(b) Measure the resistance according to the value(s) in the table below.

Standard Resistance:





NG -- REPLACE ST CUT RELAY
OK -- Continue to next step.

21. CHECK HARNESS AND CONNECTOR (ST CUT RELAY - ECM)

(a) Disconnect the A50 connector from the ECM.





(b) Measure the resistance according to the value(s) in the table below.

Standard Resistance:





NG -- REPAIR OR REPLACE HARNESS OR CONNECTOR (ST CUT RELAY - ECM)
OK -- Continue to next step.

22. CHECK HARNESS AND CONNECTOR (ST CUT RELAY - MAIN BODY ECU)

(a) Disconnect the E52 connector from the main body ECU (instrument panel junction block).





(b) Measure the resistance according to the value(s) in the table below.

Standard Resistance:





NG -- REPAIR OR REPLACE HARNESS OR CONNECTOR (ST CUT RELAY - MAIN BODY ECU)
OK -- Continue to next step.

23. CHECK HARNESS AND CONNECTOR (ECM - ST RELAY)

(a) Measure the resistance according to the value(s) in the table below.





Standard Resistance:





NG -- REPAIR OR REPLACE HARNESS OR CONNECTOR (ECM - ST RELAY)

OK -- REPLACE ECM Removal

24. REGISTER RECOGNITION CODE (ECU CODE)

(a) Register the recognition code (ECU code) Engine Immobilizer System (W/ Smart Key System).

NEXT -- Continue to next step.

25. CHECK CRANKING FUNCTION

(a) Check the engine cranking function.

(1) When there is fuel in the fuel tank, the key is inside the vehicle, and the shift lever is in P, check that depressing the brake pedal and pressing the engine switch crank the engine.

Result:





B -- END
A -- Continue to next step.

26. REPLACE CERTIFICATION ECU (SMART KEY ECU ASSEMBLY)

(a) Replace the certification ECU (smart key ECU assembly) Removal.

NEXT -- Continue to next step.

27. KEY REGISTRATION

(a) Register the key Engine Immobilizer System (W/ Smart Key System).

NEXT -- Continue to next step.

28. CHECK CRANKING FUNCTION

(a) Check the engine cranking function.

(1) When there is fuel in the fuel tank, the key is inside the vehicle, and the shift lever is in P, check that depressing the brake pedal and pressing the engine switch crank the engine.

Result:





B -- END

A -- REPLACE ID CODE BOX (IMMOBILISER CODE ECU) Removal

29. REGISTER RECOGNITION CODE (ECU CODE)

(a) Register the recognition code (ECU code) Engine Immobilizer System (W/ Smart Key System).

NEXT -- Continue to next step.

30. CHECK CRANKING FUNCTION

(a) Check the engine cranking function.

(1) When there is fuel in the fuel tank, the key is inside the vehicle, and the shift lever is in P, check that depressing the brake pedal and pressing the engine switch crank the engine.

Result:





B -- END
A -- Continue to next step.

31. REPLACE STEERING LOCK ECU

(a) Replace the steering lock ECU Disassembly.

NEXT -- Continue to next step.

32. REGISTER RECOGNITION CODE (ECU CODE)

(a) Register the recognition code (ECU code) Engine Immobilizer System (W/ Smart Key System).

NEXT -- Continue to next step.

33. CHECK CRANKING FUNCTION

(a) Check the engine cranking function.

(1) When there is fuel in the fuel tank, the key is inside the vehicle, and the shift lever is in P, check that depressing the brake pedal and pressing the engine switch crank the engine.

Result:





B -- END

A -- REPLACE ID CODE BOX (IMMOBILISER CODE ECU) Removal

34. READ VALUE USING TECHSTREAM (ENGINE START REQUEST)

(a) Connect Techstream to the DLC3.

HINT
When using Techstream with the engine switch off, turn on and off any of the door courtesy light switches repeatedly at 1.5 second intervals or less until communication between the Techstream and vehicle starts.

(b) Turn the engine switch on (IG).

(c) Read the Data List according to the displays on the Techstream.

Smart Key





OK:

"OK" (received) and "NG" (not received) appear on the screen.

NG -- REPLACE CERTIFICATION ECU (SMART KEY ECU ASSEMBLY) Removal

OK -- REPLACE ID CODE BOX (IMMOBILISER CODE ECU) Removal