Curiosii for ever!
: Car repair manuals for everyone.
Home
>>
Toyota
>>
2013
>>
Corolla L4-1.8L (2ZR-FE)
>>
Repair and Diagnosis
>>
Powertrain Management
>>
Computers and Control Systems
>>
Coolant Temperature Sensor/Switch (For Computer)
>>
Service and Repair
>>
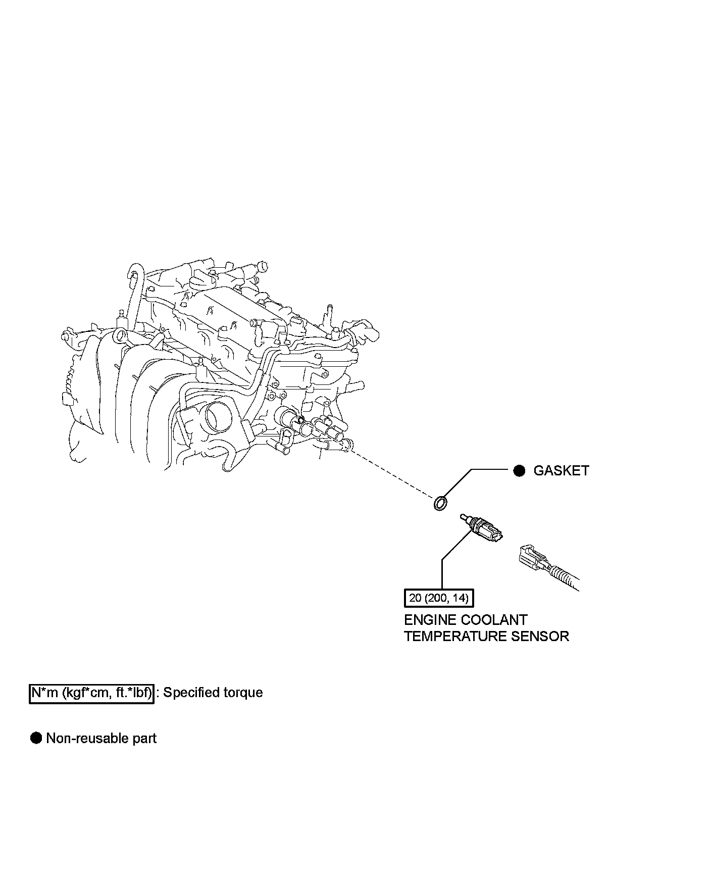
Components
Components
2ZR-FE ENGINE CONTROL: ENGINE COOLANT TEMPERATURE SENSOR: COMPONENTS; 2013 MY Corolla [07/2012 -]