Curiosii for ever!: Car repair manuals for everyone.

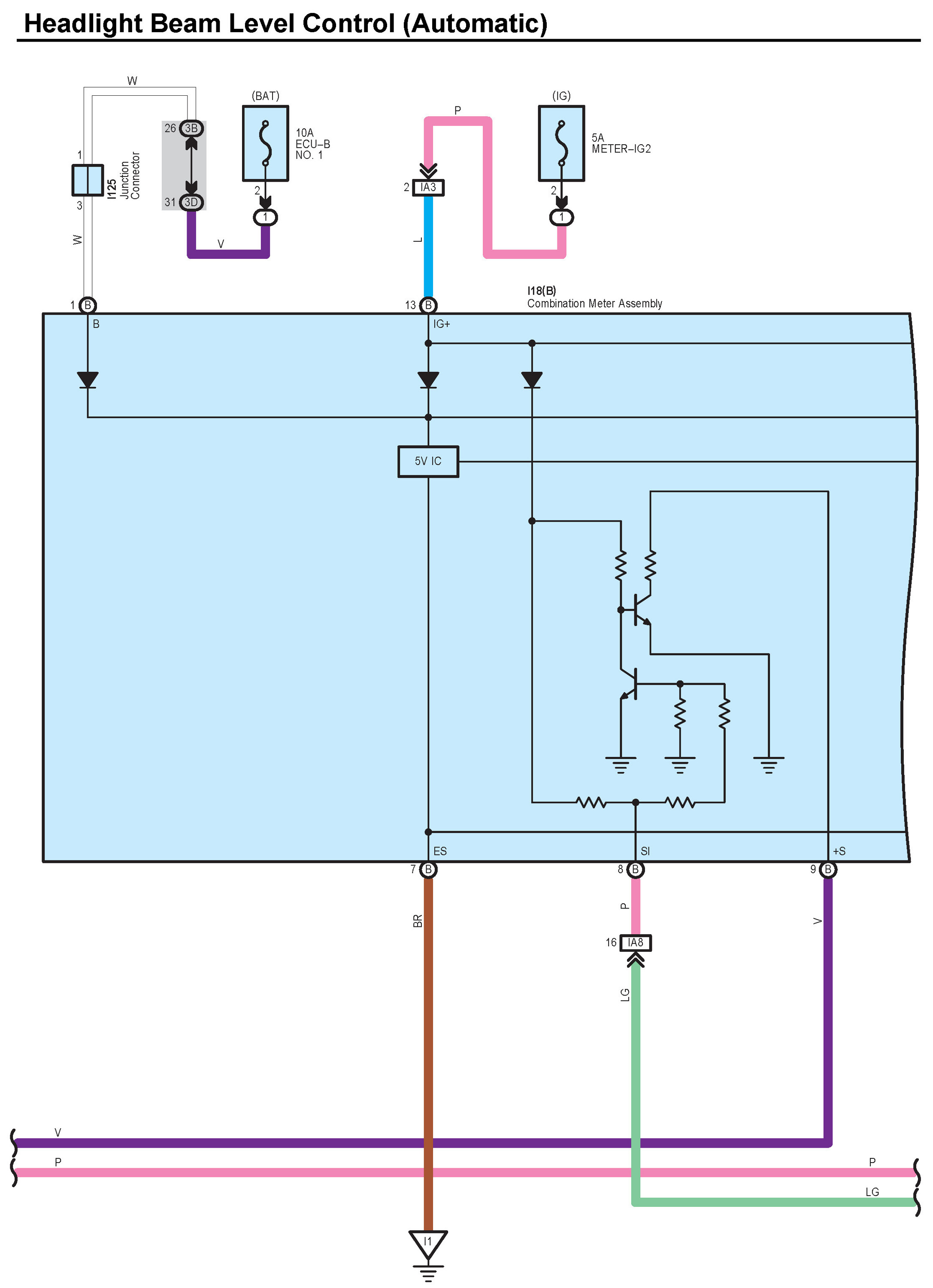
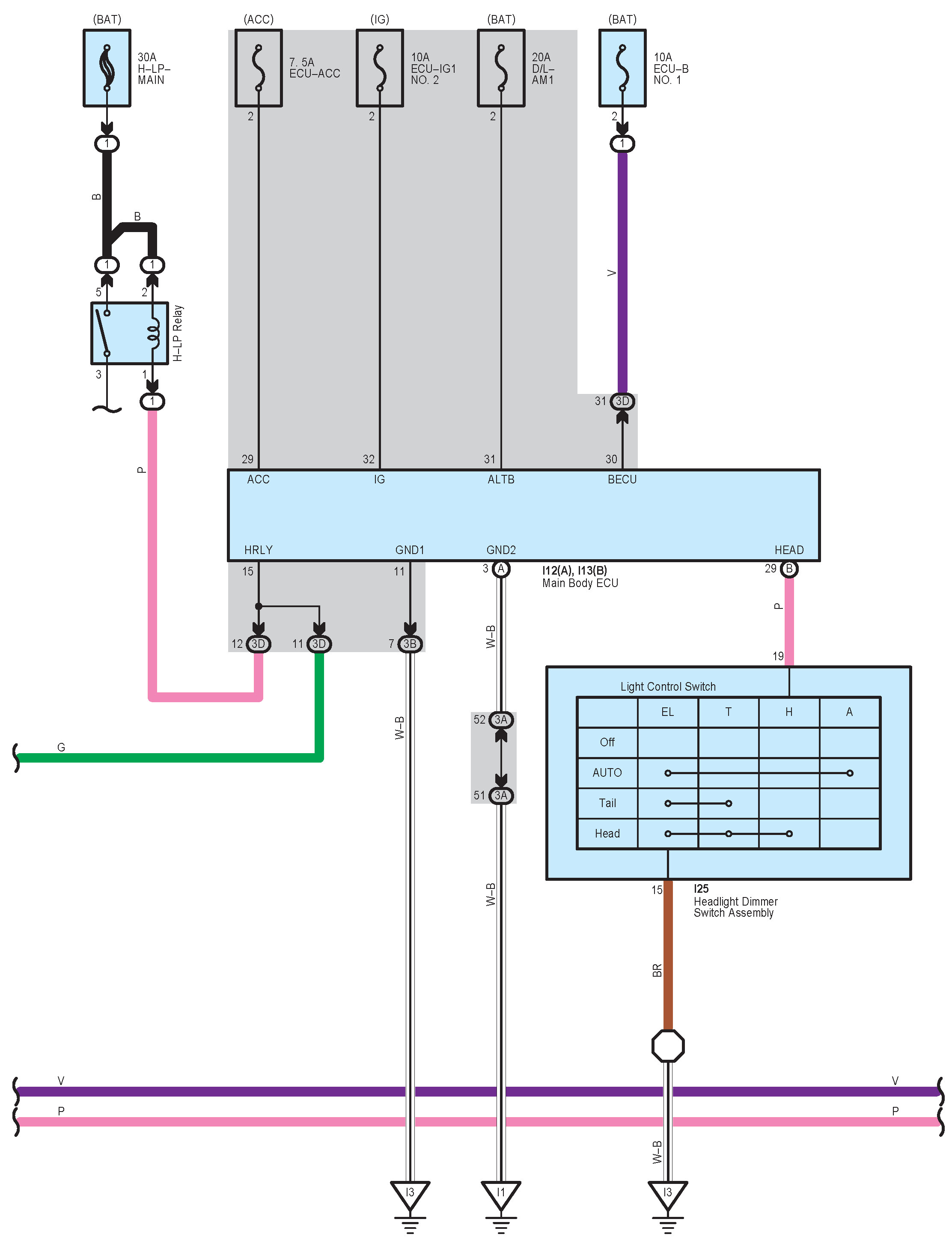
Headlight Beam Level Control (Automatic)

Headlight Beam Level Control (Automatic) Part 1:




Headlight Beam Level Control (Automatic) Part 2:




Headlight Beam Level Control (Automatic) Part 3:




Headlight Beam Level Control (Automatic) Part 4:









Locations: The locations of components, connectors, ground points, and splices referred to within these diagrams can be found at Vehicle Locations. Locations

Connector Views: Diagrams of the connectors referred to within these diagrams can be found at Connector Views by Connector Number. Connector Views By Connector Number