Curiosii for ever!: Car repair manuals for everyone.

CAN Bus Line





NETWORKING: CAN COMMUNICATION SYSTEM (for Sedan): CAN Bus Line
- CAN Bus Line

DESCRIPTION

When any DTC for the CAN communication system is output, first measure the resistance between the terminals of the DLC3 to specify the trouble area, and check that there is no short in the CAN main wire, between the CAN bus lines, to +B, or to GND.

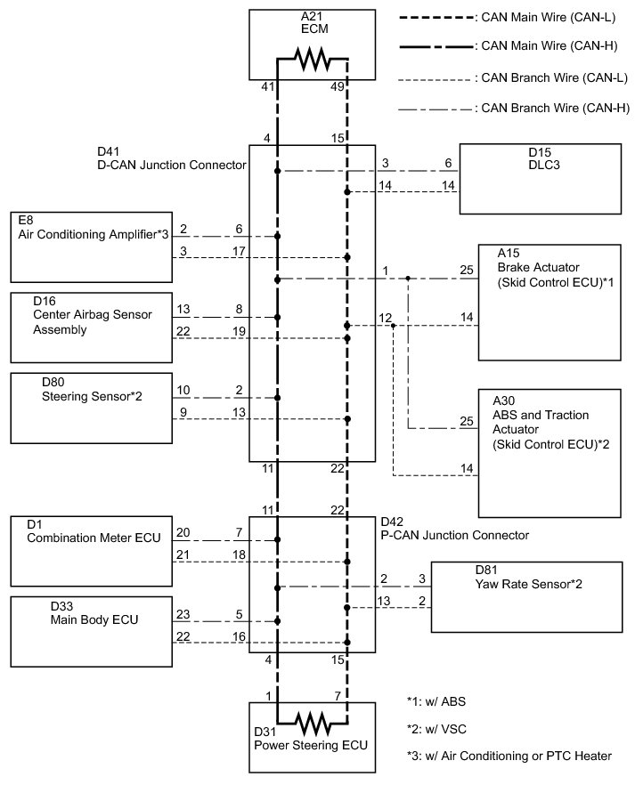
WIRING DIAGRAM





INSPECTION PROCEDURE

NOTICE:
* Turn the ignition switch off before measuring the resistances of the CAN main wire and the CAN branch wire.
* After the ignition switch is turned off, check that the key reminder warning system and light reminder warning system are not in operation.
* Before measuring the resistance, leave the vehicle as is for at least 1 minute and do not operate the ignition switch, any other switches or the doors. If doors need to be opened in order to check connectors, open the doors and leave them open.

HINT
* Operating the ignition switch, any switches or any doors triggers related ECU and sensor communication with the CAN, which causes resistance variation.

PROCEDURE

1. CHECK CAN BUS WIRE (MAIN WIRE FOR DISCONNECTION, BUS LINES FOR SHORT CIRCUIT)

(a) Turn the ignition switch off.





(b) Measure the resistance according to the value(s) in the table below.

Standard Resistance:





Text in Illustration





NG-A -- CHECK CAN MAIN WIRE (FOR OPEN CIRCUIT) CAN Main Wire for Disconnection

NG-B -- CHECK CAN BUS WIRE (FOR SHORT CIRCUIT) Check CAN Bus Lines for Short Circuit
OK -- Continue to next step.

2. CHECK CAN BUS WIRE (FOR SHORT TO +B)

(a) Turn the ignition switch off.





(b) Measure the resistance according to the value(s) in the table below.

Standard Resistance:





Text in Illustration





NG -- CHECK CAN BUS WIRE (FOR SHORT TO +B) Check CAN Bus Line for Short to +B
OK -- Continue to next step.

3. CHECK CAN BUS WIRE (FOR SHORT TO GND)

(a) Turn the ignition switch off.





(b) Measure the resistance according to the value(s) in the table below.

Standard Resistance:





Text in Illustration





NG -- CHECK CAN BUS WIRE (FOR SHORT TO GND) Check CAN Bus Line for Short to GND

OK -- HOW TO PROCEED WITH TROUBLESHOOTING How To Proceed With Troubleshooting