Curiosii for ever!: Car repair manuals for everyone.

Disassembly





HEATING / AIR CONDITIONING: AIR CONDITIONING PANEL (for Sedan): DISASSEMBLY

1. REMOVE NO. 3 HEATER CONTROL KNOB





(a) Disengage the 2 claws and remove the No. 3 heater control knob.

(b) Remove the bulb.





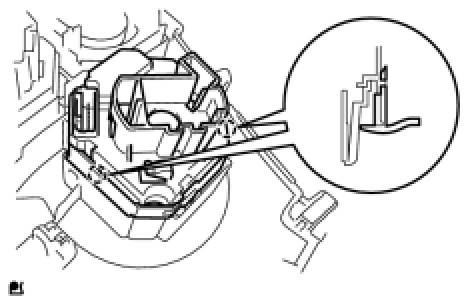
2. REMOVE HEATER CONTROL BASE SUB-ASSEMBLY





(a) Disengage the 2 claws and remove the heater control base.

(b) Remove the bulb.





3. REMOVE HEATER CONTROL SUB-ASSEMBLY





(a) Disengage the 2 claws and remove the heater control.

(b) Remove the bulb.