Curiosii for ever!
: Car repair manuals for everyone.
Home
>>
Toyota
>>
2012
>>
Venza FWD V6-3.5L (2GR-FE)
>>
Repair and Diagnosis
>>
Accessories and Optional Equipment
>>
Antitheft and Alarm Systems
>>
Description and Operation
>>
Smart Key System (for Start Function)
>>
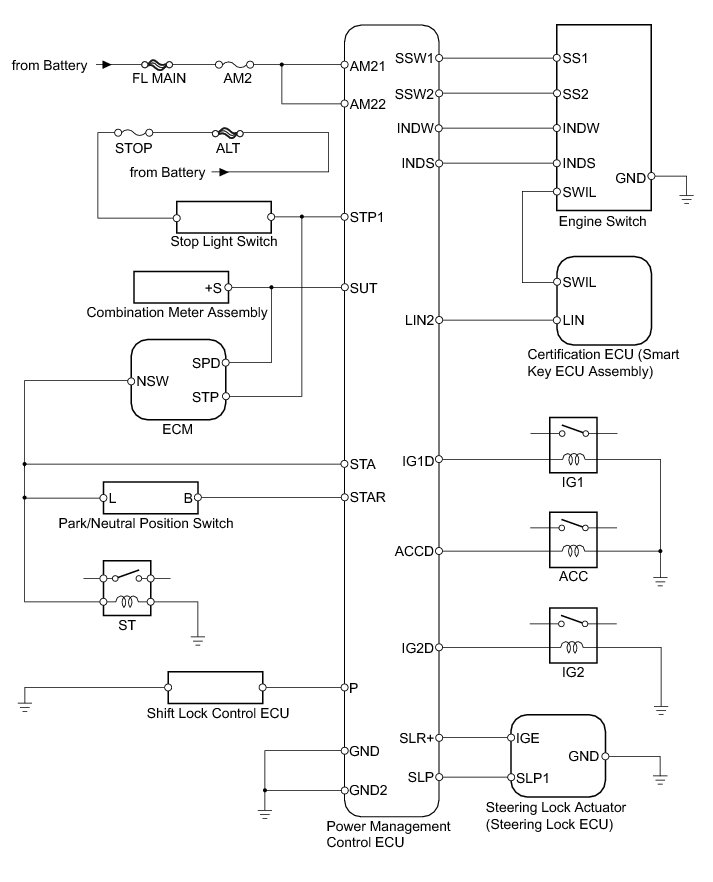
System Diagram
System Diagram
THEFT DETERRENT /
KEYLESS ENTRY
: SMART KEY SYSTEM (for Start Function): SYSTEM DIAGRAM
Communication Table