Curiosii for ever!
: Car repair manuals for everyone.
Home
>>
Toyota
>>
2012
>>
Venza AWD V6-3.5L (2GR-FE)
>>
Repair and Diagnosis
>>
Powertrain Management
>>
Computers and Control Systems
>>
Description and Operation
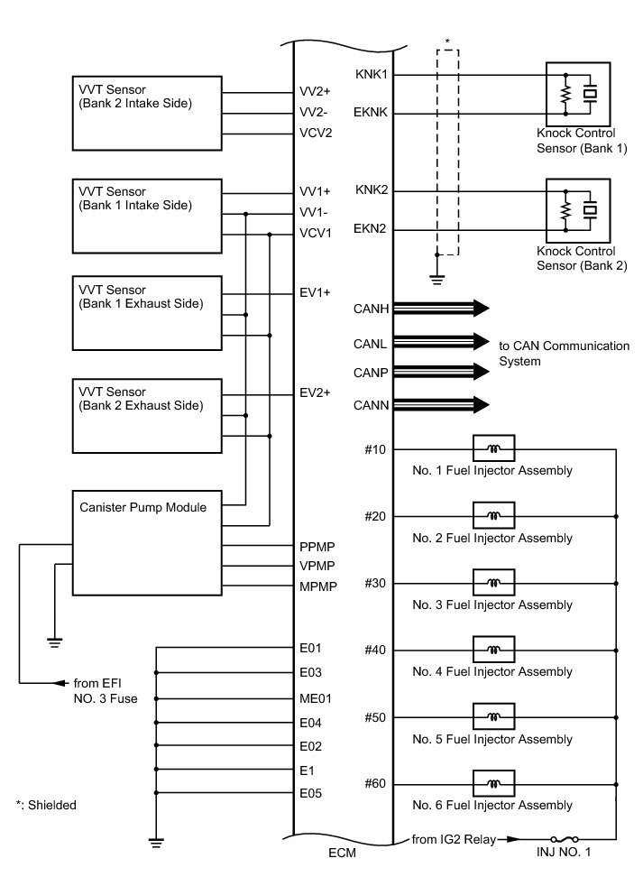
Computers and Control Systems: Description and Operation
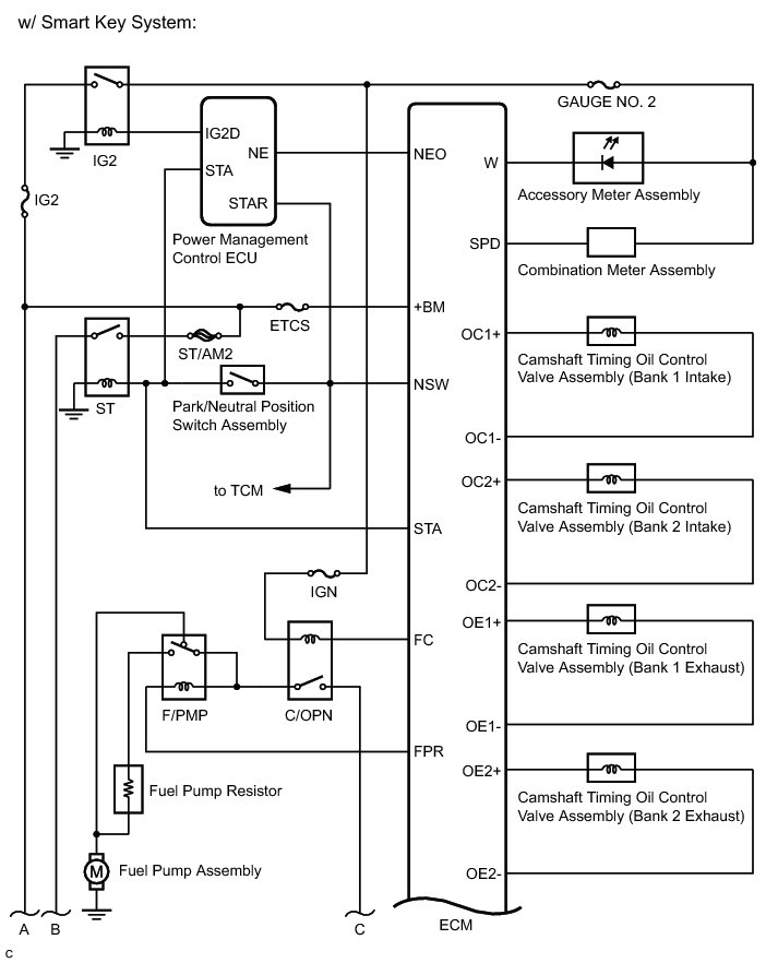
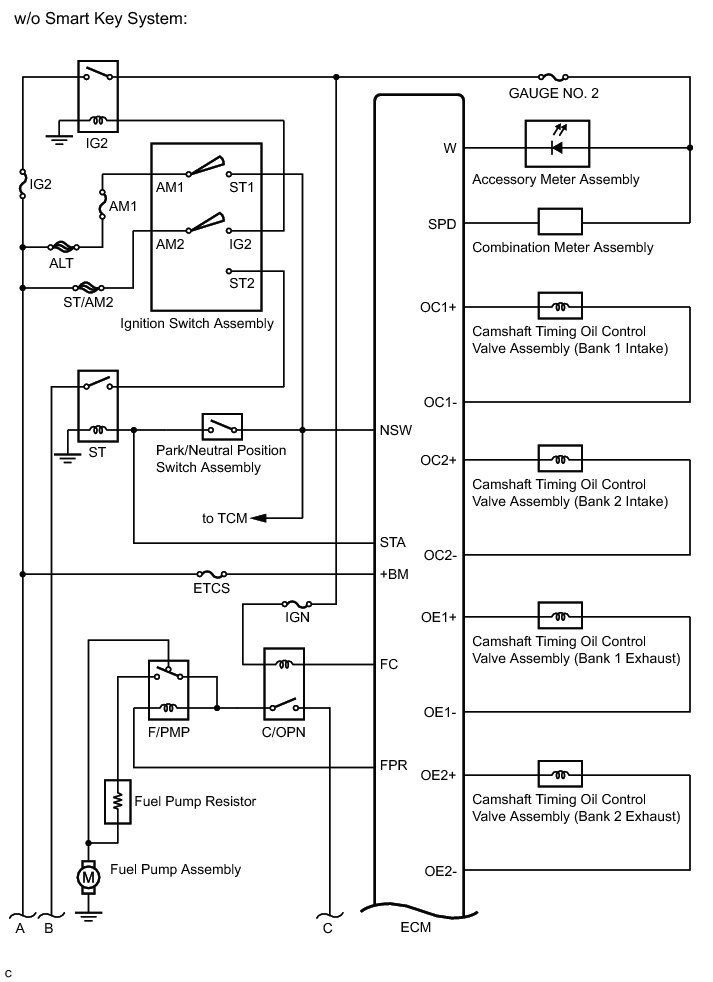
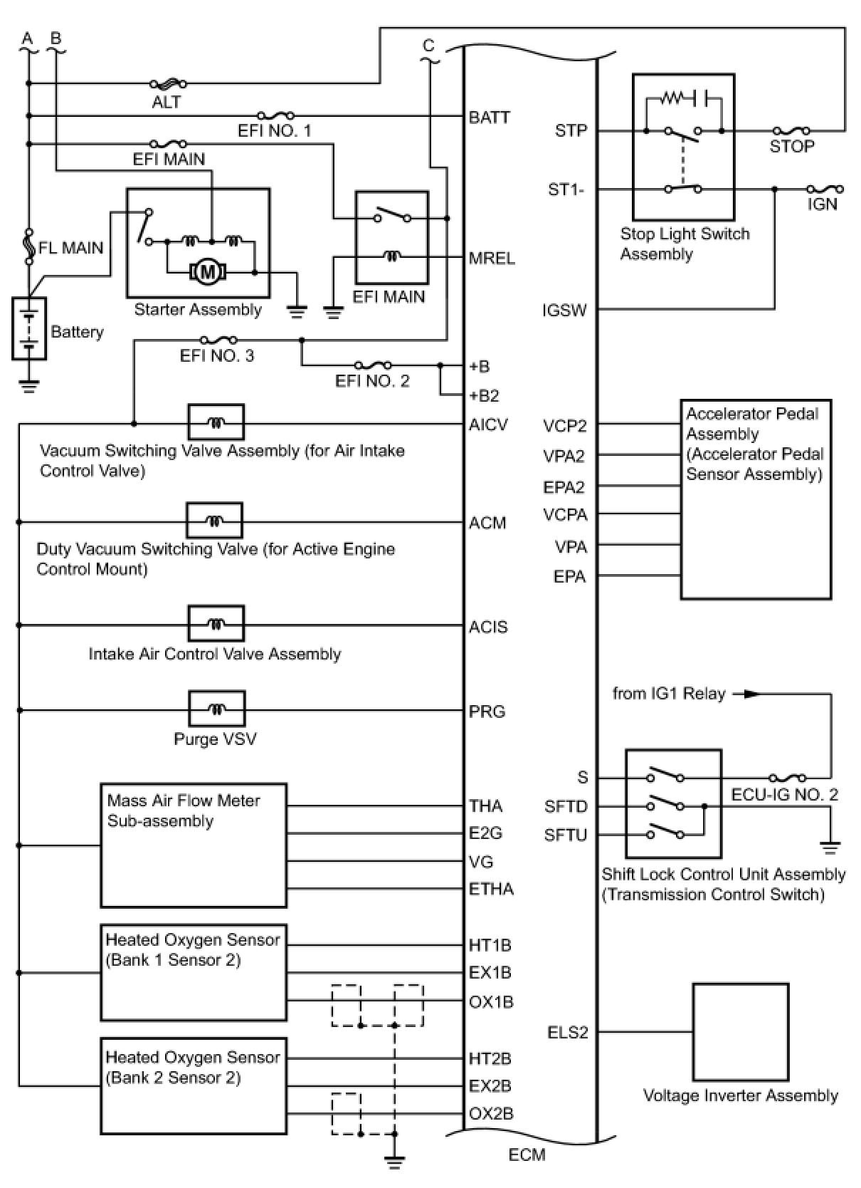
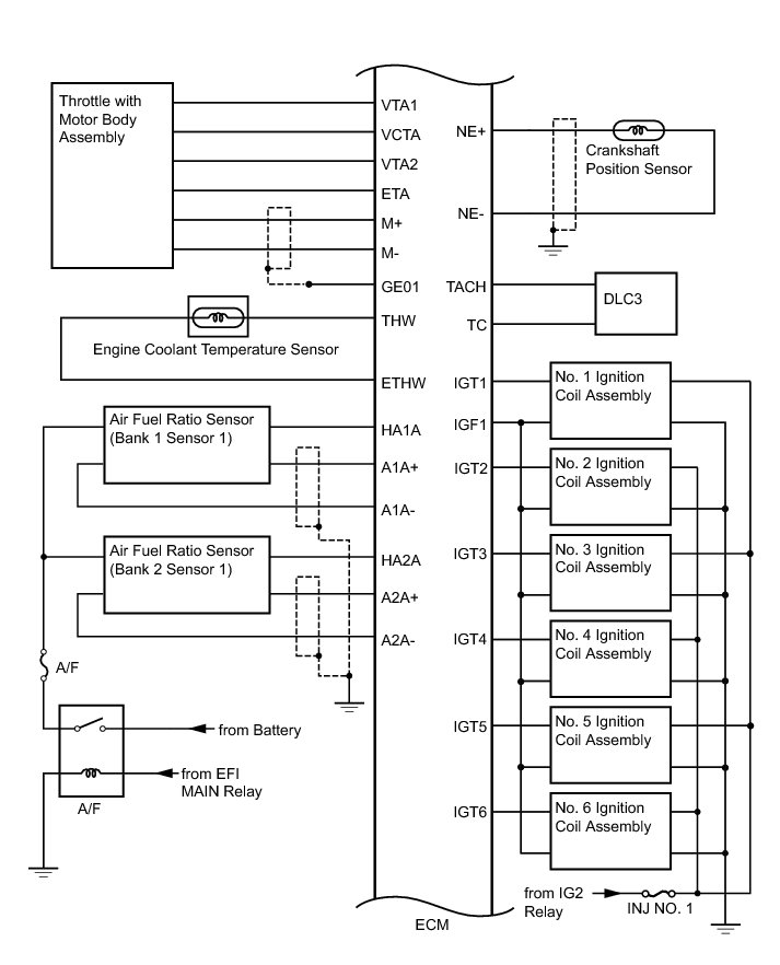
2GR-FE ENGINE CONTROL: SFI SYSTEM: SYSTEM DIAGRAM