Engine Control Part 11
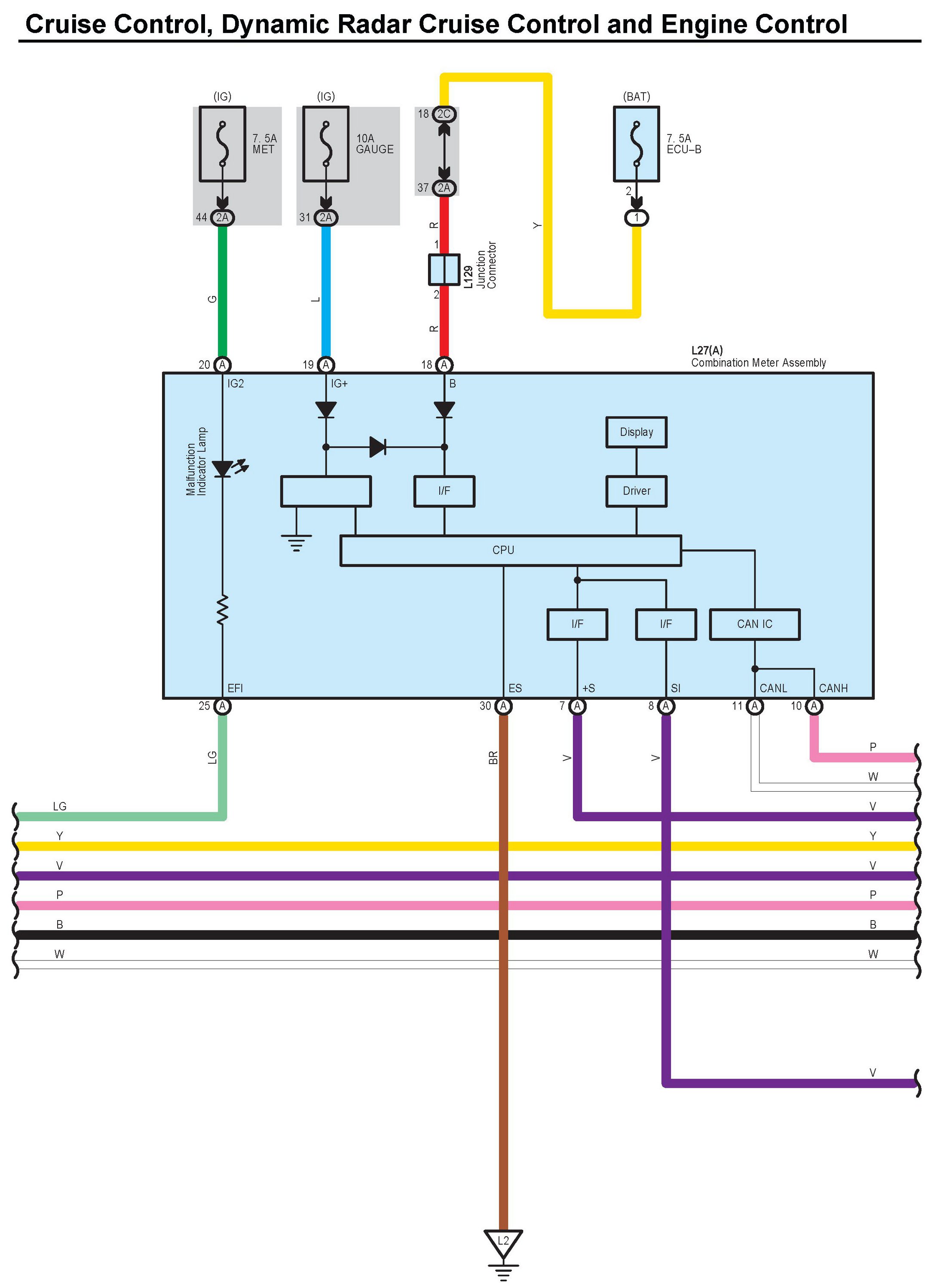
Cruise Control, Dynamic Radar Cruise Control And Engine Control Part 11:
Next Diagram Engine Control Part 12
Previous Diagram Engine Control Part 10
Locations: The locations of components, connectors, ground points, and splices referred to within these diagrams can be found at Vehicle Locations. Locations
Connector Views: Diagrams of the connectors referred to within these diagrams can be found at Connector Views by Connector Number. Connector Views By Connector Number