Curiosii for ever!: Car repair manuals for everyone.

Navigation System (Built-In Type Amplifier)

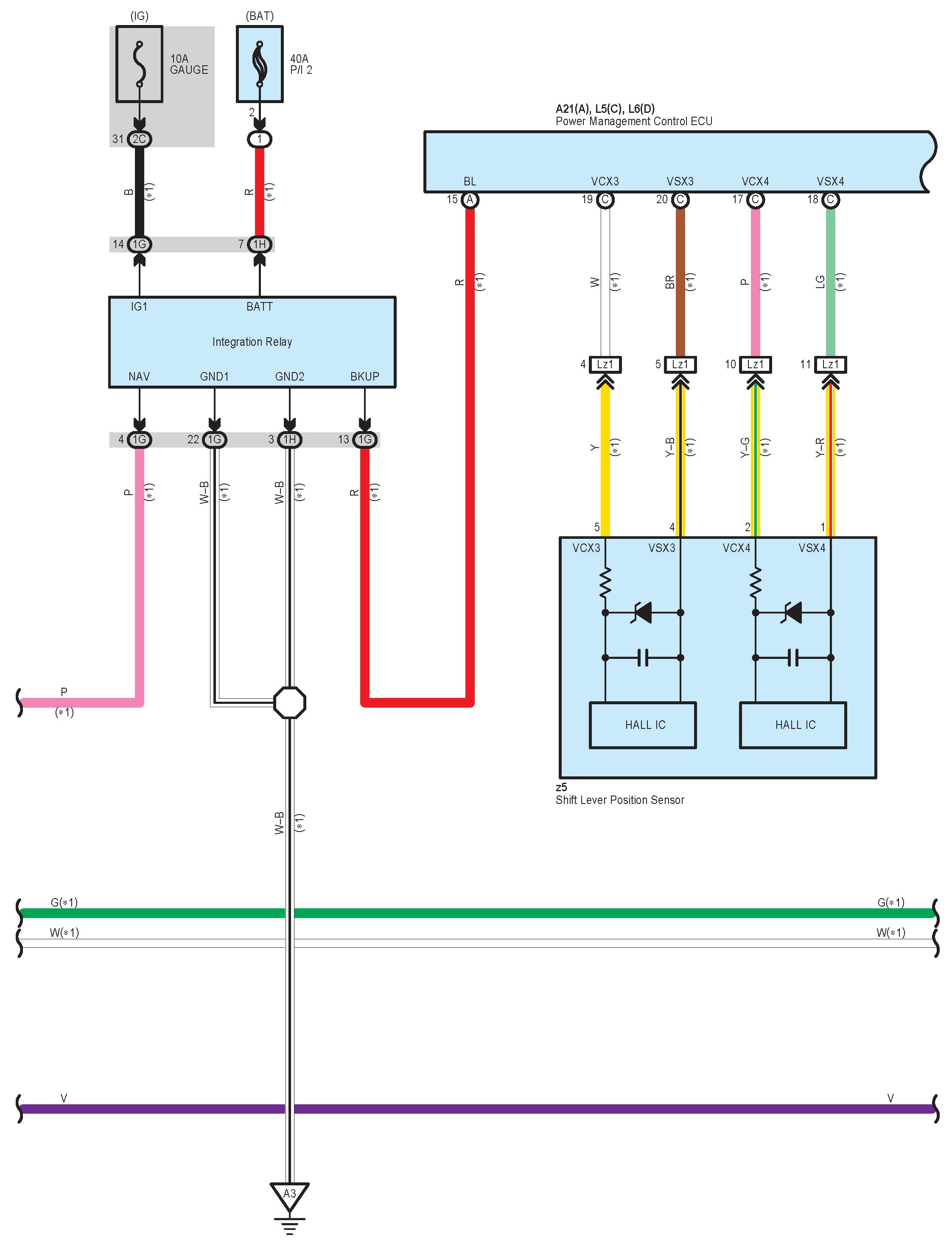
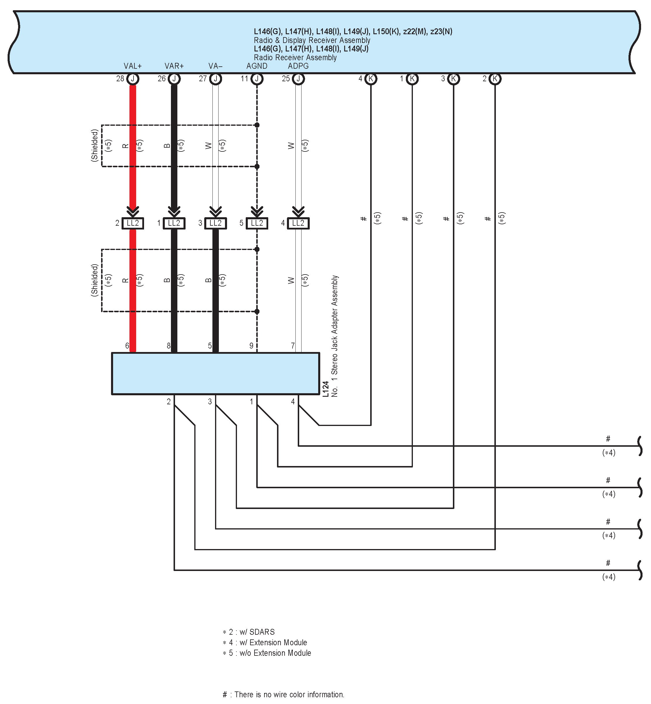
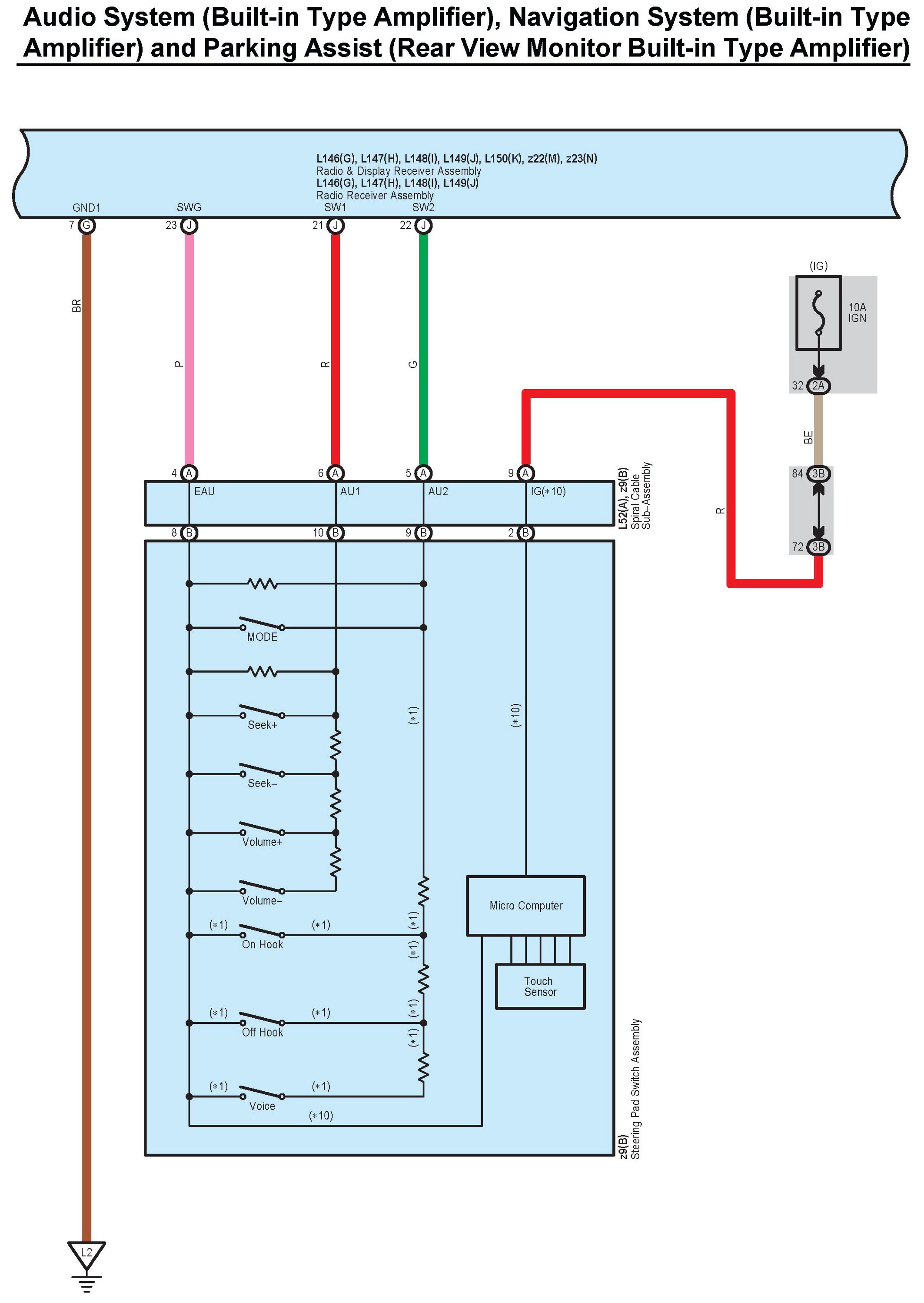
Audio System (Built-in Type Amplifier), Navigation System (Built-in Type Amplifier) And Parking Assist (Rear View Monitor Built-in Type Amplifier) Part 1:




Audio System (Built-in Type Amplifier), Navigation System (Built-in Type Amplifier) And Parking Assist (Rear View Monitor Built-in Type Amplifier) Part 2:




Audio System (Built-in Type Amplifier), Navigation System (Built-in Type Amplifier) And Parking Assist (Rear View Monitor Built-in Type Amplifier) Part 3:




Audio System (Built-in Type Amplifier), Navigation System (Built-in Type Amplifier) And Parking Assist (Rear View Monitor Built-in Type Amplifier) Part 4:




Audio System (Built-in Type Amplifier), Navigation System (Built-in Type Amplifier) And Parking Assist (Rear View Monitor Built-in Type Amplifier) Part 5:




Audio System (Built-in Type Amplifier), Navigation System (Built-in Type Amplifier) And Parking Assist (Rear View Monitor Built-in Type Amplifier) Part 6:




Audio System (Built-in Type Amplifier), Navigation System (Built-in Type Amplifier) And Parking Assist (Rear View Monitor Built-in Type Amplifier) Part 7:




Audio System (Built-in Type Amplifier), Navigation System (Built-in Type Amplifier) And Parking Assist (Rear View Monitor Built-in Type Amplifier) Part 8:




Audio System (Built-in Type Amplifier), Navigation System (Built-in Type Amplifier) And Parking Assist (Rear View Monitor Built-in Type Amplifier) Part 9:




Audio System (Built-in Type Amplifier), Navigation System (Built-in Type Amplifier) And Parking Assist (Rear View Monitor Built-in Type Amplifier) Part 10:




Audio System (Built-in Type Amplifier), Navigation System (Built-in Type Amplifier) And Parking Assist (Rear View Monitor Built-in Type Amplifier) Part 11:




Audio System (Built-in Type Amplifier), Navigation System (Built-in Type Amplifier) And Parking Assist (Rear View Monitor Built-in Type Amplifier) Part 12:




Audio System (Built-in Type Amplifier), Navigation System (Built-in Type Amplifier) And Parking Assist (Rear View Monitor Built-in Type Amplifier) Part 13:









Locations: The locations of components, connectors, ground points, and splices referred to within these diagrams can be found at Vehicle Locations. Locations

Connector Views: Diagrams of the connectors referred to within these diagrams can be found at Connector Views by Connector Number. Connector Views By Connector Number