Curiosii for ever!: Car repair manuals for everyone.

Power Source Mode does not Change to ON (READY)





THEFT DETERRENT / KEYLESS ENTRY: SMART KEY SYSTEM (for Start Function): Power Source Mode does not Change to ON (READY)
- Power Source Mode does not Change to ON (READY)

DESCRIPTION

When the electronic key is in the cabin and the power switch is pressed, the power management control ECU receives a signal and changes the power source mode. In addition, when the power switch is pressed with park (P) selected and the brake pedal depressed, the hybrid system turns on (READY).

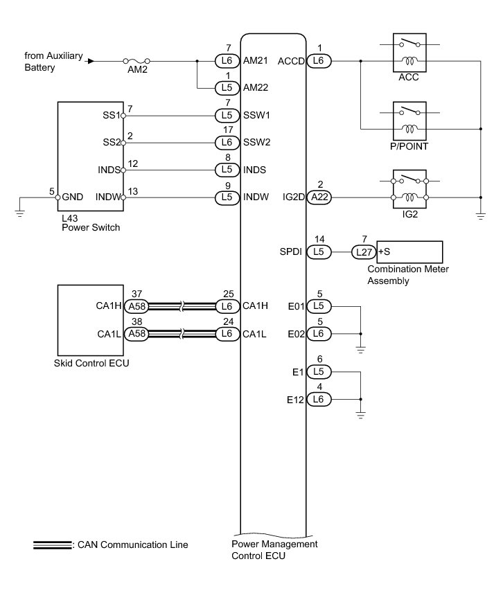
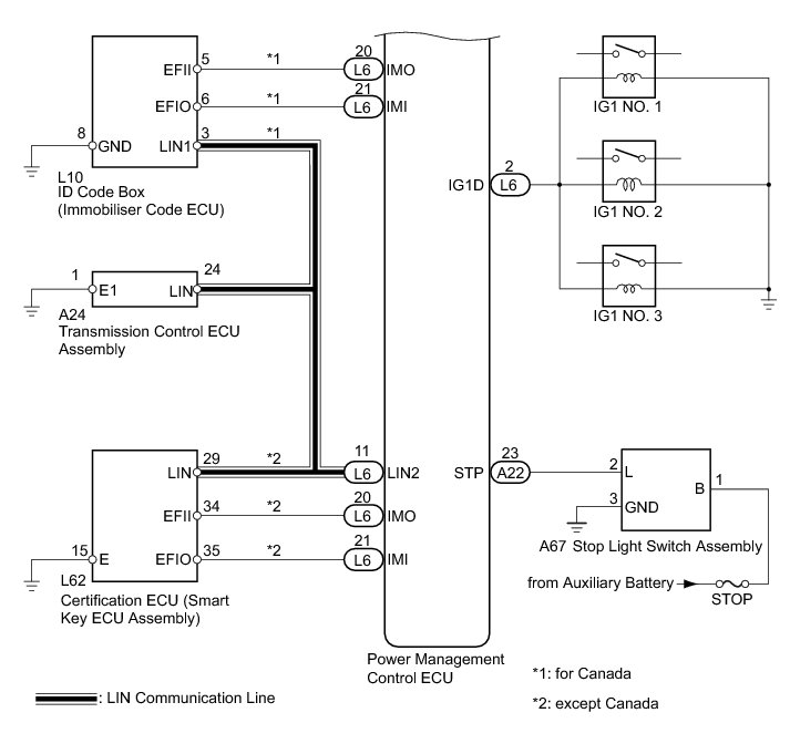
WIRING DIAGRAM









INSPECTION PROCEDURE

NOTICE:
* When the power management control ECU is replaced with a new one and the cable from the negative (-) auxiliary battery terminal is connected, the power source mode becomes on (IG) mode. When the auxiliary battery is removed and reinstalled, power source mode that was selected when the auxiliary battery was removed is restored.
* Inspect the fuses for circuits related to this system before performing the following inspection procedure.

PROCEDURE

1. CHECK HYBRID SYSTEM READY ON

(a) Place the electrical key on the driver seat.

(b) Depress the brake pedal.

(c) Check that the power switch indicator light is green. Then press the power switch to check if the hybrid system turns on (READY).

OK:

Power source mode becomes on (READY).

NG -- CHECK FOR DTC

OK -- END (HYBRID SYSTEM PERMISSION CONDITIONS WERE NOT SATISFIED)

2. CHECK FOR DTC

(a) Turn the power switch off.

(b) Connect the Techstream to the DLC3.

(c) Turn the power switch on (IG).

(d) Turn the Techstream on.

(e) Enter the following menus: Powertrain / Hybrid Control / DTC.

(f) Check for DTCs.

OK:

DTC is not output.

NG -- GO TO HYBRID CONTROL SYSTEM (DIAGNOSTIC TROUBLE CODE CHART) Hybrid Control System
OK -- Continue to next step.

3. CHECK FOR DTC

(a) Enter the following menus: Body Electrical / Power Source Control / Data List.

(b) Check for DTCs.

OK:

DTC is not output.

NG -- GO TO DIAGNOSTIC TROUBLE CODE CHART Smart Key System (for Start Function)
OK -- Continue to next step.

4. CHECK POWER SOURCE CONDITION

(a) Check the power source mode change.

(1) When the key is inside the vehicle and the park (P) is selected, check that pressing the power switch causes the power source mode to change.

Result:





B -- GO TO OTHER FLOW CHART (Power Source Mode does not Change to ON (IG and ACC)) Power Source Mode does not Change to ON (IG and ACC)

C -- GO TO OTHER FLOW CHART (Power Source Mode does not Change to ON (IG)) Power Source Mode does not Change to ON (IG)

D -- GO TO OTHER FLOW CHART (Power Source Mode does not Change to ON (ACC)) Power Source Mode does not Change to ON (ACC)
A -- Continue to next step.

5. READ VALUE USING TECHSTREAM (STOP LIGHT SWITCH ASSEMBLY)

(a) Read the Data List according to the display on the Techstream.

Power Source Control





OK:

ON (brake pedal is depressed) and OFF (brake pedal is released) appear on the screen.

NG -- CHECK HARNESS AND CONNECTOR (STOP LIGHT SWITCH ASSEMBLY - POWER SOURCE AND BODY GROUND)
OK -- Continue to next step.

6. READ VALUE USING TECHSTREAM (L CODE)

(a) Enter the following menus: Body Electrical / Smart Key / Data List.

(b) Read the Data List according to the display on the Techstream.

Smart Key





OK:

OK appears on the screen.

NG -- REPLACE TRANSMISSION CONTROL ECU ASSEMBLY
OK -- Continue to next step.

7. READ VALUE USING TECHSTREAM (ENGINE START REQUEST)

(a) Read the Data List according to the display on the Techstream.

Smart Key





OK:

OK appears on the screen.

Result:





B -- READ VALUE USING TECHSTREAM

C -- REPLACE TRANSMISSION CONTROL ECU ASSEMBLY
A -- Continue to next step.

8. READ VALUE USING TECHSTREAM (S CODE)

(a) Read the Data List according to the display on the Techstream.

Smart Key





OK:

OK appears on the screen.

NG -- REPLACE CERTIFICATION ECU (SMART KEY ECU ASSEMBLY)
OK -- Continue to next step.

9. CHECK ID CODE BOX (IMMOBILISER CODE ECU)

(a) Measure the voltage according to the value(s) in the table below.





(1) Waveform 1









(2) Waveform 2





OK:

The waveform is displayed as shown in illustration.

Text in Illustration





NG -- REPLACE ID CODE BOX (IMMOBILISER CODE ECU)
OK -- Continue to next step.

10. READ VALUE USING TECHSTREAM

(a) Enter the following menus: Body Electrical / Power Source Control / Data List.

(b) Read the Data List according to the display on the Techstream.

Power Source Control





OK:

Data List display changes when the power switch is operated.

NG -- REPLACE POWER MANAGEMENT CONTROL ECU Removal

OK -- GO TO HYBRID CONTROL SYSTEM How To Proceed With Troubleshooting

11. CHECK HARNESS AND CONNECTOR (STOP LIGHT SWITCH ASSEMBLY - POWER SOURCE AND BODY GROUND)

(a) Disconnect the A67 connector from the stop light switch assembly.





(b) Measure the voltage and resistance according to the value(s) in the table below.

Standard Voltage:





Standard Resistance:





Text in Illustration





NG -- REPAIR OR REPLACE HARNESS OR CONNECTOR
OK -- Continue to next step.

12. CHECK STOP LIGHT SWITCH ASSEMBLY

(a) Reconnect the A67 connector to the stop light switch assembly.





(b) Measure the voltage according to the value(s) in the table below.

Standard Voltage:





Text in Illustration





NG -- REPLACE STOP LIGHT SWITCH ASSEMBLY Removal
OK -- Continue to next step.

13. CHECK HARNESS AND CONNECTOR (POWER MANAGEMENT CONTROL ECU - STOP LIGHT SWITCH ASSEMBLY)

(a) Disconnect the A22 connector from the power management control ECU.

(b) Measure the resistance according to the value(s) in the table below.

Standard Resistance:





NG -- REPAIR OR REPLACE HARNESS OR CONNECTOR (POWER MANAGEMENT CONTROL ECU - STOP LIGHT SWITCH ASSEMBLY)

OK -- REPLACE POWER MANAGEMENT CONTROL ECU Removal

14. REPLACE TRANSMISSION CONTROL ECU ASSEMBLY

(a) Replace transmission control ECU assembly Removal.

NEXT -- Continue to next step.

15. CHECK HYBRID SYSTEM READY ON

(a) Place the electrical key on the driver seat.

(b) Depress the brake pedal.

(c) Check that the power switch indicator light is green. Then press the power switch to check if the hybrid system turns on (READY).

OK:

Power source mode becomes on (READY).

Result:





B -- REPLACE ID CODE BOX (IMMOBILISER CODE ECU)

C -- REPLACE CERTIFICATION ECU (SMART KEY ECU ASSEMBLY)

A -- END (TRANSMISSION CONTROL ECU WAS DEFECTIVE)

16. REPLACE CERTIFICATION ECU (SMART KEY ECU ASSEMBLY)

(a) Replace certification ECU (smart key ECU assembly).

NEXT -- Continue to next step.

17. CHECK HYBRID SYSTEM READY ON

(a) Place the electrical key on the driver seat.

(b) Depress the brake pedal.

(c) Check that the power switch indicator light is green. Then press the power switch to check if the hybrid system turns on (READY).

OK:

Power source mode becomes on (READY).

NG -- REPLACE ID CODE BOX (IMMOBILISER CODE ECU)

OK -- END (CERTIFICATION ECU (SMART KEY ECU ASSEMBLY) WAS DEFECTIVE)