Curiosii for ever!: Car repair manuals for everyone.

Electrical Diagrams

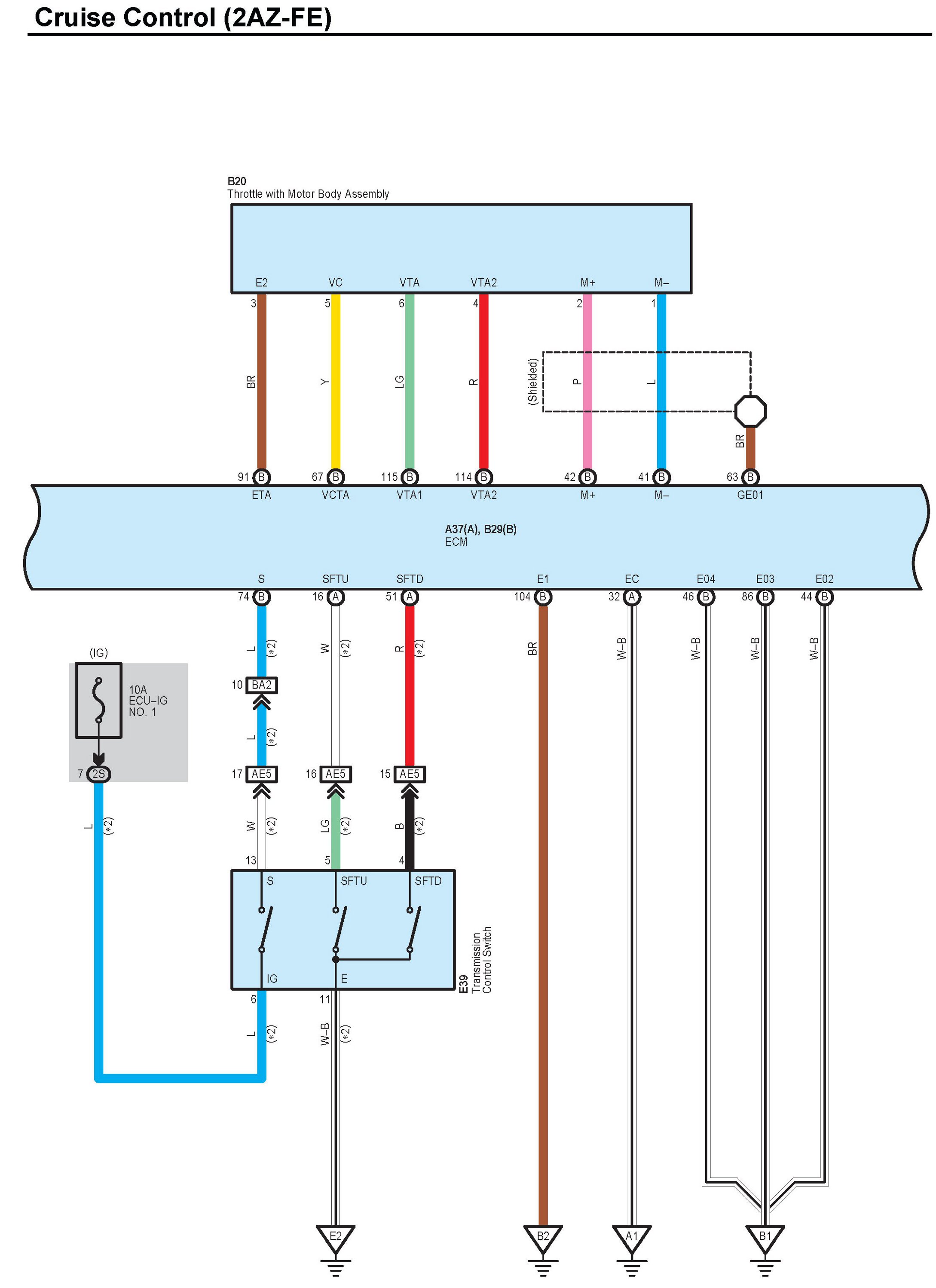
Cruise Control Part 1:




Cruise Control Part 2:




Cruise Control Part 3:




Cruise Control Part 4:




Cruise Control Part 5:




Cruise Control Part 6:




Cruise Control Part 7:









Locations: The locations of components, connectors, ground points, and splices referred to within these diagrams can be found at Vehicle Locations. Locations

Connector Views: Diagrams of the connectors referred to within these diagrams can be found at Connector Views by Connector Number. Connector Views By Connector Number