Curiosii for ever!: Car repair manuals for everyone.

Reading and Clearing Diagnostic Trouble Codes





U341E AUTOMATIC TRANSMISSION / TRANSAXLE: AUTOMATIC TRANSAXLE SYSTEM: DTC CHECK / CLEAR

NOTICE:
When the diagnosis system is changed from normal mode to check mode or vice versa, all DTCs and freeze frame data recorded in normal mode are cleared. Before changing modes, always check and make a note of DTCs and freeze frame data.

HINT
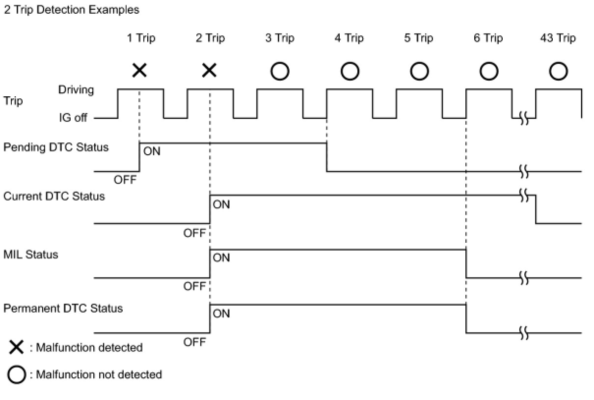
* DTCs which are stored in the ECM can be displayed on the Techstream. The Techstream can display the current, pending and permanent DTCs.
* If a malfunction is detected during the current driving cycle, current and permanent DTCs are stored.
* Some DTCs are not stored if the ECM does not detect the same malfunction again during a second consecutive driving cycle. However, such malfunctions, detected on only one occasion, are stored as pending DTCs.
* Current and pending DTCs can be cleared by using the Techstream or by disconnecting the cable from the negative battery terminal. However, permanent DTCs cannot be cleared using either of these two methods.
* After clearing current DTCs using the Techstream (or by disconnecting the cable from the negative battery terminal), permanent DTCs can be cleared when the system is determined to be normal for the relevant DTCs and then the universal trip is performed.

2 Trip Detection Examples













1. CHECK DTC

(a) Connect the Techstream to the DLC3.

(b) Turn the ignition switch to ON.

(c) Turn the Techstream on.

(d) Enter the following menus: Powertrain / Engine and ECT / Trouble Codes.

(e) Check the DTC(s) and freeze frame data, and then write them down.

(f) Check the details of the DTC(s) Automatic Transaxle System - U341E.

2. CLEAR DTC (Pending and Current DTC)

(a) Connect the Techstream to the DLC3.

(b) Turn the ignition switch to ON.

(c) Turn the Techstream on.

(d) Enter the following menus: Powertrain / Engine and ECT / Trouble Codes.

(e) Clear the DTCs.

3. CLEAR DTC (Pending and Current DTC without using Techstream)

(a) Perform either of the following operations:

(1) Disconnect the cable from the negative (-) battery terminal for more than 1 minute.

(2) Remove the EFI MAIN and ETCS fuses from the engine room relay block located inside the engine compartment for more than 1 minute.

4. CLEAR PERMANENT DTC

HINT
Even if the following procedure is not performed, permanent DTCs are cleared if no malfunction are detected during 3 consecutive driving cycles.





(a) Connect the Techstream to the DLC3.

(b) Turn the ignition switch to ON.

(c) Turn the Techstream on.

(d) Enter the following menus: Powertrain / Engine and ECT / Trouble Codes.

(e) Check if permanent DTCs are stored.

HINT
If permanent DTCs are not output, it is not necessary to continue this procedure.

(f) Clear DTCs.

(g) Perform the universal trip.

(1) Idle the engine for 30 seconds or more.

(2) Drive the vehicle at 40 km/h (25 mph) or more for a total of 5 minutes or more.

HINT
* It is possible to complete the drive pattern even if the vehicle decelerates to less than 40 km/h (25 mph) during the driving cycle provided that the vehicle is driven at 40 km/h (25 mph) or more for a total of 5 minutes.
* When accelerating through the gears, make sure the vehicle is driven so all gears are used in order and no gears are skipped.

(3) Allow 10 minutes or more to elapse from the time the engine is started.

(h) Turn the ignition switch off.

(i) Wait 15 seconds.

(j) Turn the ignition switch to ON.

(k) Enter the following menus: Powertrain / Engine and ECT / Trouble Codes.

(l) Check that the permanent DTCs have been cleared.

HINT
* If the permanent DTCs have not been cleared, perform the universal trip again.
* The permanent DTCs are cleared when the universal trip is completed.