Curiosii for ever!: Car repair manuals for everyone.

Reading and Clearing Diagnostic Trouble Codes





2ZR-FE ENGINE CONTROL: SFI SYSTEM: DTC CHECK / CLEAR

NOTICE:
When the diagnosis system is changed from normal mode to check mode or vice versa, all DTCs and freeze frame data stored in normal mode are cleared. Before changing modes, always check and make a note of DTCs and freeze frame data.

HINT
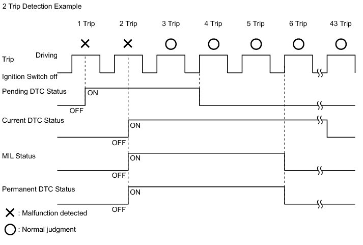
* DTCs which are stored in the ECM can be output to the Techstream. The Techstream can display the current, pending and permanent DTCs.
* If a malfunction is detected during the current driving cycle, current and permanent DTCs are stored.
* Some DTCs are not stored if the ECM does not detect the same malfunction again during a second consecutive driving cycle. However, such malfunctions, detected on only one occasion, are stored as pending DTCs.
* Current and pending DTCs can be cleared by using the Techstream or by disconnecting the cable from the negative battery terminal. However, permanent DTCs cannot be cleared using either of these two methods.
* After clearing current DTCs using the Techstream (or by disconnecting the cable from the negative battery terminal), permanent DTCs can be cleared when the system is determined to be normal for the relevant DTCs and then the universal trip is performed. The driving pattern to obtain a normal judgment is described under the "Confirmation Driving Pattern" for the respective DTC.

2 Trip Detection Examples













HINT
* Obtaining a normal judgment and performing a universal trip driving pattern can be done in the same driving cycle or in different driving cycles.
* It is unnecessary to obtain a normal judgment if the DTCs are misfire or fuel system DTCs.

1. CHECK DTC

(a) Connect the Techstream to the DLC3.

(b) Turn the ignition switch to ON.

(c) Turn the Techstream on.

(d) Enter the following menus: Powertrain / Engine and ECT / Trouble Codes.

(e) Check the DTCs and freeze frame data, and then write them down.

(f) Check the details of the DTCs SFI System.

2. CLEAR DTC (Pending and Current DTC using Techstream)

(a) Connect the Techstream to the DLC3.

(b) Turn the ignition switch to ON.

(c) Turn the Techstream on.

(d) Enter the following menus: Powertrain / Engine and ECT / Trouble Codes.

(e) Clear the DTCs.

3. CLEAR DTC (Pending and Current DTC without using Techstream)

(a) Perform either of the following operations:

(1) Disconnect the cable from the negative (-) battery terminal for more than 1 minute.

(2) Remove the EFI MAIN and ETCS fuses from the engine room relay block located inside the engine compartment for more than 1 minute.

4. CLEAR PERMANENT DTC

HINT
Even if the following procedure is not performed, permanent DTCs are cleared by obtaining a normal judgment during 3 consecutive driving cycles.





(a) Connect the Techstream to the DLC3.

(b) Turn the ignition switch to ON.

(c) Turn the Techstream on.

(d) Enter the following menus: Powertrain / Engine and ECT / Trouble Codes.

(e) Check if permanent DTCs are stored.

HINT
If permanent DTCs are not output, it is not necessary to continue this procedure.

(f) Clear the DTCs.

(g) Perform the respective confirmation driving patterns in order to obtain a normal judgment for the output DTCs.

HINT
* Confirmation driving patterns do not need to be performed for misfire and fuel system DTCs.
* For the confirmation driving pattern, refer to the procedures for the relevant DTC SFI System.

(h) Perform the universal trip.

HINT
The driving pattern to obtain a normal judgment and the universal trip driving pattern can be performed consecutively in the same driving cycle.

(1) Idle the engine for 30 seconds or more.

(2) Drive the vehicle at 25 mph (40 km/h) or more for a total of 5 minutes or more.

HINT
It is possible to complete the driving pattern even if the vehicle decelerates to less than 25 mph (40 km/h) during the driving cycle provided that the vehicle is driven at 25 mph (40 km/h) or more for a total of 5 minutes.

(3) Allow 10 minutes or more to elapse from the time the engine is started.

(i) Enter the following menus: Powertrain / Engine and ECT / Trouble Codes.

(j) Check that the permanent DTCs have been cleared.

HINT
The permanent DTCs are cleared when the universal trip is completed.