Curiosii for ever!: Car repair manuals for everyone.

Disassembly





2ZR-FE ENGINE MECHANICAL: CYLINDER BLOCK: DISASSEMBLY

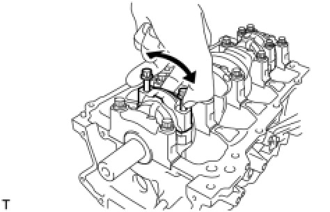
1. REMOVE NO. 1 VENTILATION CASE

(a) Remove the 6 bolts and 2 nuts.





(b) Remove the No. 1 ventilation case by prying between the No. 1 ventilation case and cylinder block with a screwdriver as shown in the illustration.





NOTICE:
Be careful not to damage the contact surfaces of the cylinder block and No. 1 ventilation case.

HINT
Tape the screwdriver tip before use.

2. REMOVE PISTON SUB-ASSEMBLY WITH CONNECTING ROD

(a) Using a ridge reamer, remove all the carbon from the top of the cylinder.





(b) Check that the matchmarks on the connecting rod and cap are aligned to ensure correct reassembly.





HINT
The matchmarks on the connecting rods and caps are provided to ensure correct reassembly.

(c) Using SST, uniformly loosen the 2 bolts.





SST : 09205-16010

(d) Using the 2 removed connecting rod cap bolts, remove the connecting rod cap and lower bearing by wiggling the connecting rod cap right and left.





HINT
Keep the lower bearing inserted in the connecting rod cap.

(e) Push the piston, connecting rod assembly and upper bearing through the top of the cylinder block.

HINT
* Keep the bearing, connecting rod and cap as a set.
* Arrange the piston and connecting rod assemblies in the correct order.

3. REMOVE CONNECTING ROD BEARING

(a) Remove the connecting rod bearings.

HINT
Arrange the removed parts in the correct order.

4. REMOVE PISTON RING SET

(a) Using a piston ring expander, remove the 2 compression rings.





(b) Remove the oil ring rail and oil ring expander by hand.

HINT
Arrange the removed parts in the correct order.

5. REMOVE PISTON

(a) Using a screwdriver, pry out the 2 snap rings.





(b) Gradually heat each piston to approximately 80 to 90°C (176 to 194°F).





(c) Using a plastic hammer and a brass bar, lightly tap out the piston pin and remove the connecting rod.





HINT
* The piston and pin are a matched set.
* Arrange the pistons, pins, rings, connecting rods and bearings in the correct order.

6. REMOVE CRANKSHAFT

(a) Uniformly loosen and remove the 10 main bearing cap bolts in the sequence shown in the illustration.





(b) Use 2 removed main bearing cap bolts to remove the 5 main bearing caps and 5 lower bearings.





NOTICE:
Insert the bolts into the caps in turn. Ease the cap out by gently pulling up and applying force toward the front and back sides of the cylinder block, as shown in the illustration. Be careful to damage the contact surfaces of the cap and cylinder block.

HINT
* Keep the lower bearing and main bearing cap as a set.
* Arrange the main bearing caps in the correct order.

(c) Lift out the crankshaft.

7. REMOVE UPPER CRANKSHAFT THRUST WASHER

(a) Remove the upper crankshaft thrust washers from the cylinder block.





8. REMOVE CRANKSHAFT BEARING

(a) Remove the 5 upper main bearings from the cylinder block.





HINT
Arrange the bearings in the correct order.

(b) Remove the 5 lower main bearings from the 5 main bearing caps.





HINT
Arrange the bearings in the correct order.

9. REMOVE NO. 1 OIL NOZZLE SUB-ASSEMBLY

(a) Using a 5 mm socket hexagon wrench, remove the bolts and oil nozzles.





10. CLEAN CYLINDER BLOCK

NOTICE:
If the cylinder is washed at high temperature, the cylinder liner will stick out beyond the cylinder block. Always wash the cylinder block at a temperature of 45°C (113°F) or less.