Curiosii for ever!: Car repair manuals for everyone.

PTC Heater Circuit





HEATING / AIR CONDITIONING: AIR CONDITIONING SYSTEM: PTC Heater Circuit
- PTC Heater Circuit

DESCRIPTION

The PTC heater is installed in the heater unit and operates when the coolant temperature is low and normal heater operation is insufficient.

The A/C amplifier switches the circuit in the PTC relay and operates the PTC heater when the operating conditions (the coolant temperature is below 65°C (149°F), setting temperature is MAX. HOT, ambient temperature is below 10°C (50°F) and blower switch is not OFF) are met.

The PTC heater controls the number of the heater elements to be heated based on the electrical load and the amount of voltage generated. Therefore, when inspecting the PTC heater, be sure to turn off other electrical devices.

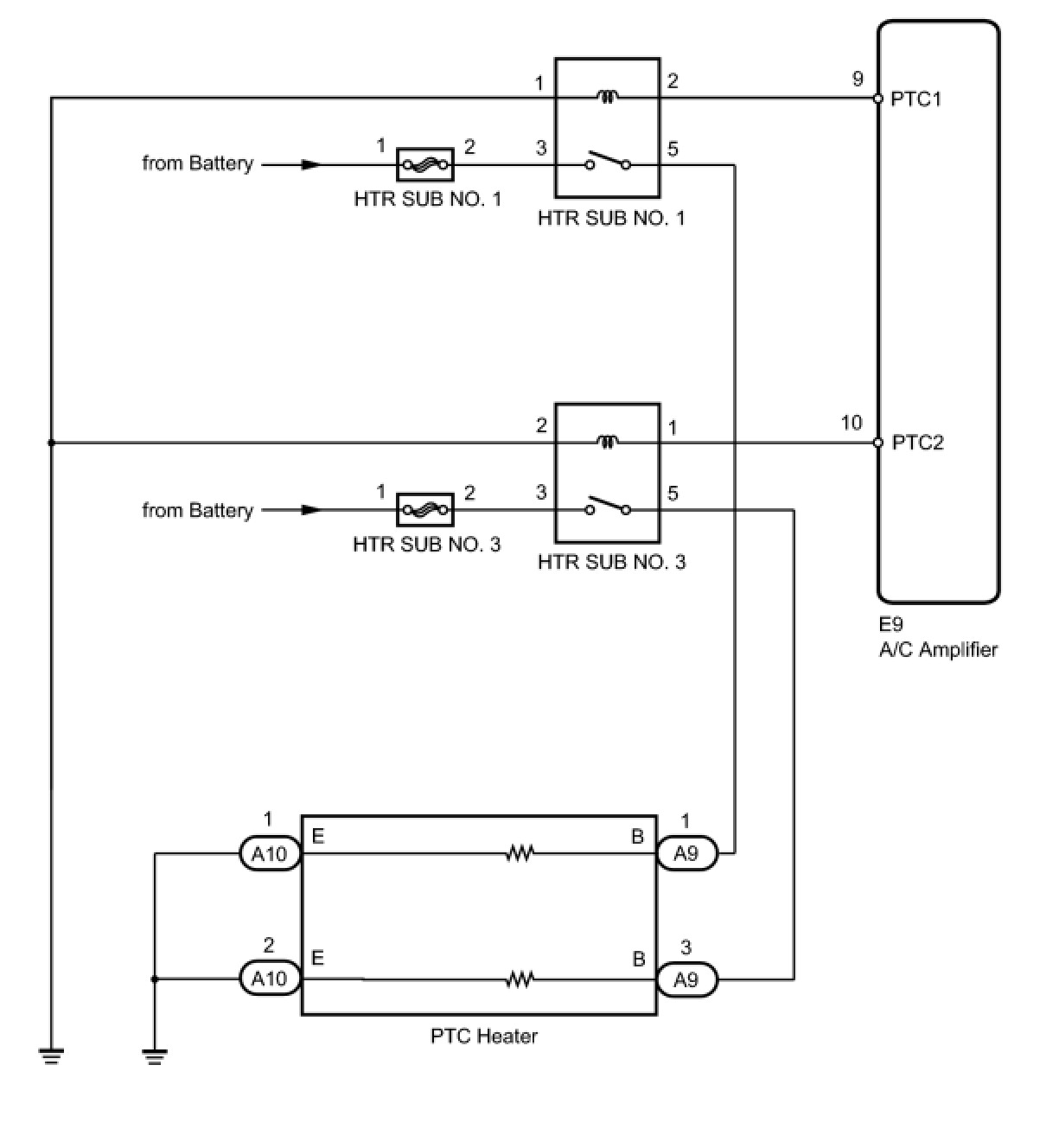
WIRING DIAGRAM





INSPECTION PROCEDURE

NOTICE:
Inspect the fuses for circuits related to this system before performing the following inspection procedure.

PROCEDURE

1. INSPECT RELAY (HTR SUB NO. 1, HTR SUB NO. 3)

(a) Remove the HTR SUB No. 1 and HTR SUB No. 3 relays from the engine room relay block and junction block.





(b) Measure the resistance according to the value(s) in the table below.

Standard Resistance:





(c) Install the HTR SUB No. 1 and HTR SUB No. 3 relays to the engine room relay block and junction block.

NG -- REPLACE RELAY (HTR SUB NO. 1, HTR SUB NO. 3)
OK -- Continue to next step.

2. CHECK HARNESS AND CONNECTOR (A/C AMPLIFIER - BODY GROUND)

(a) Disconnect the connector from the A/C amplifier.

(b) Remove the HTR SUB No. 1 and HTR SUB No. 3 relays from the engine room relay block and junction block.

(c) Measure the resistance according to the value(s) in the table below.

Standard Resistance:





NG -- REPAIR OR REPLACE HARNESS OR CONNECTOR
OK -- Continue to next step.

3. INSPECT AIR CONDITIONING AMPLIFIER

(a) Reconnect the connector to the A/C amplifier.

(b) Remove the A/C amplifier with the connectors still connected.





(c) Measure the voltage according to the value(s) in the table below.

Standard Voltage:





Text in Illustration





NG -- PROCEED TO NEXT SUSPECTED AREA SHOWN IN PROBLEM SYMPTOMS TABLE Symptom Related Diagnostic Procedures
OK -- Continue to next step.

4. INSPECT PTC HEATER

(a) Disconnect the connector from the PTC heater.





(b) Measure the resistance according to the value(s) in the table below.

Standard Resistance:





Text in Illustration





NG -- REPLACE PTC HEATER Removal
OK -- Continue to next step.

5. CHECK HARNESS AND CONNECTOR (PTC HEATER - BATTERY)

(a) Measure the voltage according to the value(s) in the table below.





Standard Voltage:





Text in Illustration





NG -- REPAIR OR REPLACE HARNESS OR CONNECTOR

OK -- REPAIR OR REPLACE HARNESS OR CONNECTOR (PTC HEATER - BODY GROUND)