Curiosii for ever!: Car repair manuals for everyone.

IG Power Source Circuit





HEATING / AIR CONDITIONING: AIR CONDITIONING SYSTEM: IG Power Source Circuit
- IG Power Source Circuit

DESCRIPTION

The main power source is supplied to the A/C amplifier when the ignition switch is turned to ON.

The power source is used for operating the A/C amplifier and servo motor, etc.

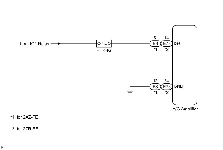
WIRING DIAGRAM





INSPECTION PROCEDURE

NOTICE:
Inspect the fuses for circuits related to this system before performing the following inspection procedure.

HINT
Start the engine before inspection. Check the IG1 relay or battery if the engine does not start.

PROCEDURE

1. CHECK HARNESS AND CONNECTOR (AIR CONDITIONING AMPLIFIER - BATTERY)

(a) Disconnect the A/C amplifier connector.





(b) Measure the voltage according to the value(s) in the table below.

Standard voltage:





*1: for 2AZ-FE

*2: for 2ZR-FE

Text in Illustration





NG -- REPAIR OR REPLACE HARNESS OR CONNECTOR
OK -- Continue to next step.

2. CHECK HARNESS AND CONNECTOR (AIR CONDITIONING AMPLIFIER - BODY GROUND)

(a) Disconnect the A/C amplifier connector.

(b) Measure the resistance according to the value(s) in the table below.

Standard resistance:





*1: for 2AZ-FE

*2: for 2ZR-FE

NG -- REPAIR OR REPLACE HARNESS OR CONNECTOR

OK -- PROCEED TO NEXT SUSPECTED AREA SHOWN IN PROBLEM SYMPTOMS TABLE Symptom Related Diagnostic Procedures