Curiosii for ever!: Car repair manuals for everyone.

Disassembly





2AZ-FE ENGINE MECHANICAL: ENGINE UNIT: DISASSEMBLY

1. REMOVE OIL FILLER CAP SUB-ASSEMBLY

(a) Remove the oil filler cap from the cylinder head cover.





2. REMOVE OIL FILLER CAP GASKET

(a) Remove the oil filler cap gasket from the oil filler cap.





3. REMOVE VENTILATION VALVE SUB-ASSEMBLY

(a) Using a 22 mm deep socket wrench, remove the ventilation valve from the cylinder head cover.





4. REMOVE SPARK PLUG Removal

5. REMOVE OIL FILTER SUB-ASSEMBLY Replacement

6. REMOVE OIL FILTER UNION

(a) Using a 12 mm socket hexagon wrench, remove the oil filter union.





7. REMOVE CYLINDER HEAD COVER SUB-ASSEMBLY

(a) Remove the 8 bolts and 2 nuts, and remove the cylinder head cover.





8. REMOVE CYLINDER HEAD COVER GASKET

(a) Remove the cylinder head cover gasket from the cylinder head cover.





9. REMOVE V-RIBBED BELT TENSIONER ASSEMBLY Removal

10. REMOVE CRANKSHAFT POSITION SENSOR

(a) Remove the wire harness clamp.





(b) Separate the wire harness from the wire harness clamp bracket.

(c) Remove the 2 bolts and sensor.





11. REMOVE CAMSHAFT POSITION SENSOR

(a) Remove the bolt and camshaft position sensor.





12. SET NO. 1 CYLINDER TO TDC/COMPRESSION Removal

13. REMOVE CRANKSHAFT PULLEY Removal

14. REMOVE CAMSHAFT TIMING OIL CONTROL VALVE ASSEMBLY

(a) Remove the bolt and camshaft timing oil control valve from the cylinder head.





NOTICE:
The camshaft timing oil control valve may be damaged when loosening the cylinder head bolts if the oil control valve is not removed.

(b) Remove the O-ring from the camshaft timing oil control valve.

15. REMOVE NO. 1 CHAIN TENSIONER ASSEMBLY Removal

16. REMOVE WATER PUMP PULLEY Removal

17. REMOVE WATER PUMP ASSEMBLY Removal

18. REMOVE OIL PAN DRAIN PLUG

(a) Remove the oil pan drain plug from the oil pan.





19. REMOVE OIL PAN SUB-ASSEMBLY

(a) Remove the 12 bolts and 2 nuts.





(b) Insert the blade of an oil pan seal cutter between the crankcase, chain cover and oil pan, then cut through the applied sealer and remove the oil pan.





NOTICE:
Be careful not to damage the contact surfaces of the crankcase, chain cover and oil pan.

20. REMOVE TIMING CHAIN OR BELT COVER SUB-ASSEMBLY Removal

21. REMOVE FRONT CRANKSHAFT OIL SEAL Removal

22. REMOVE NO. 1 CRANKSHAFT POSITION SENSOR PLATE Removal

23. REMOVE TIMING CHAIN GUIDE Removal

24. REMOVE CHAIN TENSIONER SLIPPER Removal

25. REMOVE NO. 1 CHAIN VIBRATION DAMPER Removal

26. REMOVE CHAIN SUB-ASSEMBLY

27. REMOVE CRANKSHAFT TIMING GEAR OR SPROCKET Removal

28. REMOVE NO. 2 CHAIN SUB-ASSEMBLY Removal

29. REMOVE KEYS

(a) Remove the 2 pulley set keys from the crankshaft.





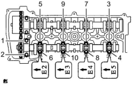
30. REMOVE NO. 2 CAMSHAFT

(a) Using several steps, uniformly loosen and remove the 10 bearing cap bolts in the sequence shown in the illustration.





NOTICE:
Uniformly loosen the bolts while keeping the camshaft level.

HINT
Arrange the removed parts in the correct order.

(b) Remove the 5 bearing caps.

(c) Remove the No. 2 camshaft.

31. REMOVE CAMSHAFT

(a) Using several steps, uniformly loosen and remove the 10 bearing cap bolts in the sequence shown in the illustration.





NOTICE:
Uniformly loosen the bolts while keeping the camshaft level.

HINT
Arrange the removed parts in the correct order.

(b) Remove the 5 bearing caps.

(c) Remove the camshaft.

32. REMOVE NO. 1 CAMSHAFT BEARING

(a) Remove the camshaft bearing from the No. 1 camshaft bearing cap.





33. REMOVE NO. 2 CAMSHAFT BEARING

(a) Remove the No. 2 camshaft bearing from the cylinder head.





34. REMOVE CAMSHAFT TIMING GEAR OR SPROCKET

(a) Clamp the camshaft in a vise.





NOTICE:
* Do not overtighten the vise.
* Do not damage the camshaft.

(b) Remove the bolt and camshaft timing gear or sprocket.

35. REMOVE CAMSHAFT TIMING GEAR ASSEMBLY Removal

36. REMOVE CYLINDER HEAD SUB-ASSEMBLY Removal

37. REMOVE CYLINDER HEAD GASKET





38. REMOVE CYLINDER BLOCK WATER JACKET SPACER

(a) Using needle nose pliers, remove the cylinder block water jacket spacer from the water jacket.





NOTICE:
Before turning the cylinder block upside down, make sure that the water jacket spacer is removed, as it will fall out.

39. REMOVE CYLINDER BLOCK WATER DRAIN COCK SUB-ASSEMBLY

(a) Remove the water drain cock from the stiffening crankcase.





(b) Remove the water drain cock plug from the water drain cock.

40. REMOVE OIL CONTROL VALVE FILTER

(a) Using an 8 mm socket hexagon wrench, remove the plug, gasket and oil control valve filter.





41. REMOVE NO. 1 TAPER HEAD SCREW PLUG

(a) Remove the No. 1 taper head screw plug.





42. REMOVE OIL PUMP ASSEMBLY Removal

43. INSPECT BALANCESHAFT THRUST CLEARANCE Engine Unit

44. INSPECT BALANCESHAFT OIL CLEARANCE Engine Unit

45. REMOVE NO. 1 AND NO. 2 BALANCESHAFTS

(a) Remove the No. 1 and No. 2 balanceshafts.





46. REMOVE NO. 1 BALANCESHAFT BEARING

(a) Remove the 8 No. 1 balanceshaft bearings shown in the illustration.





47. REMOVE REAR CRANKSHAFT OIL SEAL Removal

48. REMOVE STIFFENING CRANKCASE ASSEMBLY

(a) Uniformly loosen and remove the 11 bolts in the sequence shown in the illustration.





(b) Using a screwdriver with its tip wrapped with protective tape, remove the crankcase by prying between the crankcase and cylinder block.





NOTICE:
Be careful not to damage the contact surfaces between the crankcase and cylinder block.

(c) Remove the O-ring from the cylinder block.