Cruise Control Switch Circuit
CRUISE CONTROL: CRUISE CONTROL SYSTEM: Cruise Control Switch Circuit
- Cruise Control Switch Circuit
DESCRIPTION
The cruise control main switch operates 7 functions: SET, - (COAST), TAP-DOWN, RES (RESUME), + (ACCEL), TAP-UP, and CANCEL. The SET, TAP-DOWN, and - (COAST) functions, and the RES (RESUME), TAP-UP, and + (ACCEL) functions are operated with the same switch. The cruise control main switch is an automatic return type switch which turns on only while operating it in each direction and turns off after releasing it. The internal contact point of the cruise control main switch is turned on with the switch operation. Then the ECM reads the voltage value that has been changed by the switch operation to control SET, - (COAST), RES (RESUME), + (ACCEL), and CANCEL.
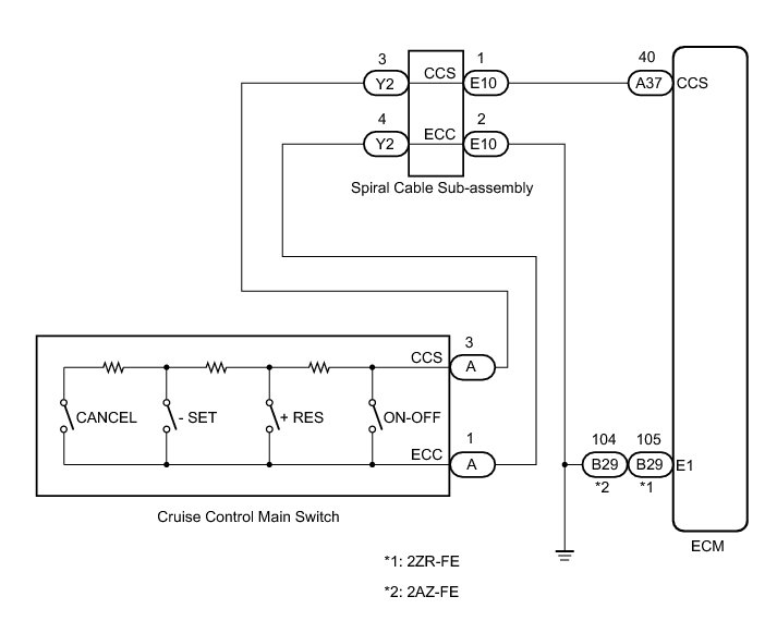
WIRING DIAGRAM
INSPECTION PROCEDURE
PROCEDURE
1. READ VALUE USING TECHSTREAM
(a) Connect the Techstream to the DLC3.
(b) Turn the ignition switch to ON.
(c) Turn the Techstream on.
(d) Enter the following menus: Powertrain / Cruise Control / Data List.
(e) Check the Data List for proper functioning of the cruise control main switch.
Cruise Control (ECM)
OK:
When the cruise control main switch is operated, the display changes as shown above.
Result:
B -- INSPECT CRUISE CONTROL MAIN SWITCH
C -- REPLACE CRUISE CONTROL MAIN SWITCH Components
A -- PROCEED TO NEXT SUSPECTED AREA SHOWN IN PROBLEM SYMPTOMS TABLE Symptom Related Diagnostic Procedures
2. INSPECT CRUISE CONTROL MAIN SWITCH
(a) Remove the cruise control main switch Removal.
(b) Measure the resistance according to the value(s) in the table below.
Standard Resistance:
(c) Install the cruise control main switch Installation.
NG -- REPLACE CRUISE CONTROL MAIN SWITCH Components
OK -- Continue to next step.
3. CHECK HARNESS AND CONNECTOR (CRUISE CONTROL MAIN SWITCH - SPIRAL CABLE SUB-ASSEMBLY)
(a) Disconnect the Y2 connector from the spiral cable sub-assembly.
(b) Disconnect the A connector from the cruise control main switch.
(c) Measure the resistance according to the value(s) in the table below.
Standard Resistance:
(d) Reconnect the Y2 and A connectors.
NG -- REPAIR OR REPLACE HARNESS OR CONNECTOR
OK -- Continue to next step.
4. CHECK SPIRAL CABLE SUB-ASSEMBLY
NOTICE:
The spiral cable sub-assembly is an important part of the SRS airbag system. Incorrect removal or installation of the spiral cable sub-assembly may cause airbag deployment. Be sure to read the page shown in the brackets.
HINT
* Removal Removal
* Installation Installation
(a) Remove the spiral cable sub-assembly Removal.
(b) Measure the resistance according to the value(s) in the table below.
Standard Resistance:
HINT
The spiral cable sub-assembly makes a maximum of approximately 5 rotations.
(c) Install the spiral cable sub-assembly Installation.
NG -- REPLACE SPIRAL CABLE SUB-ASSEMBLY Components
OK -- Continue to next step.
5. CHECK HARNESS AND CONNECTOR (SPIRAL CABLE SUB-ASSEMBLY - ECM, BODY GROUND)
(a) Measure the resistance according to the value(s) in the table below.
Standard Resistance:
Result:
B -- REPLACE ECM Components
C -- REPLACE ECM Components
A -- REPAIR OR REPLACE HARNESS OR CONNECTOR