Curiosii for ever!: Car repair manuals for everyone.

All Doors Lock/Unlock Functions Do Not Operate Via Master Switch, Driver Side Door Key Cylinder





DOOR LOCK: POWER DOOR LOCK CONTROL SYSTEM: All Doors LOCK/UNLOCK Functions do not Operate Via Master Switch, Driver Side Door Key Cylinder
- All Doors LOCK/UNLOCK Functions do not Operate Via Master Switch, Driver Side Door Key Cylinder

DESCRIPTION

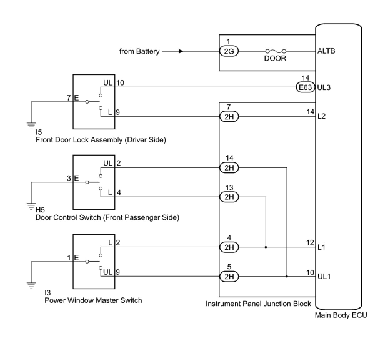
The main body ECU (instrument panel junction block) receives switch signals from the door control switches and driver door key cylinder, and activates the door lock motor on each door according to these signals.

WIRING DIAGRAM





INSPECTION PROCEDURE

PROCEDURE

1. INSPECT FUSE (DOOR)

(a) Remove the DOOR fuse from the instrument panel junction block.

(b) Measure the resistance according to the value(s) in the table below.

Standard Resistance:





NG -- REPLACE FUSE
OK -- Continue to next step.

2. CHECK DOOR LOCK OPERATION (ALL DOORS LOCK / UNLOCK)

(a) All doors can be locked/unlocked at once using the following:

* Door control switch on the driver side (switch operation)

* Door control switch on the front passenger side (switch operation)

* Door key cylinder linked with door lock on the driver side (key operation)

(b) Proceed to the next step according to symptom if all the doors cannot be locked/unlocked at once.

Result:





B -- READ VALUE USING TECHSTREAM (DOOR KEY LINKED LOCK AND UNLOCK SWITCH (DRIVER SIDE))
A -- Continue to next step.

3. CHECK DOOR LOCK OPERATION (DOOR CONTROL SWITCH)

(a) Proceed to the next step according to symptom if all the doors cannot be locked/unlocked at once.

Result:





B -- READ VALUE USING TECHSTREAM (DOOR CONTROL SWITCH (FRONT PASSENGER SIDE))

C -- REPLACE MAIN BODY ECU (INSTRUMENT PANEL JUNCTION BLOCK)
A -- Continue to next step.

4. READ VALUE USING TECHSTREAM (DOOR CONTROL SWITCH (DRIVER SIDE))

(a) Connect the Techstream.

(b) Turn the ignition switch to ON.

(c) Turn the Techstream on.

(d) Enter the following menus: Body Electrical / Main Body / Data List.

(e) Read the Data List according to the display on the Techstream.

Main Body





OK:

The Techstream indicates ON or OFF according to the switch operation as shown in the table.

NG -- INSPECT POWER WINDOW MASTER SWITCH (DOOR CONTROL SWITCH)

OK -- REPLACE MAIN BODY ECU (INSTRUMENT PANEL JUNCTION BLOCK)

5. INSPECT POWER WINDOW MASTER SWITCH (DOOR CONTROL SWITCH)

(a) Remove the power window master switch Removal.





(b) Measure the resistance according to the value(s) in the table below.

Standard Resistance:





NG -- REPLACE POWER WINDOW MASTER SWITCH Removal
OK -- Continue to next step.

6. CHECK HARNESS AND CONNECTOR (JUNCTION BLOCK - DOOR CONTROL SWITCH (DRIVER SIDE))

(a) Disconnect the 2H junction block connector.





(b) Disconnect the I3 switch connector.

(c) Measure the resistance according to the value(s) in the table below.

Standard Resistance:





NG -- REPAIR OR REPLACE HARNESS OR CONNECTOR

OK -- REPLACE MAIN BODY ECU (INSTRUMENT PANEL JUNCTION BLOCK)

7. READ VALUE USING TECHSTREAM (DOOR CONTROL SWITCH (FRONT PASSENGER SIDE))

(a) Connect the Techstream.

(b) Turn the ignition switch to ON.

(c) Turn the Techstream on.

(d) Enter the following menus: Body Electrical / Main Body / Data List.

(e) Read the Data List according to the display on the Techstream.

Main Body





OK:

The Techstream indicates ON or OFF according to the switch operation as shown in the table.

NG -- INSPECT DOOR CONTROL SWITCH ASSEMBLY (FRONT PASSENGER SIDE)

OK -- REPLACE MAIN BODY ECU (INSTRUMENT PANEL JUNCTION BLOCK)

8. INSPECT DOOR CONTROL SWITCH ASSEMBLY (FRONT PASSENGER SIDE)

(a) Remove the door control switch Removal.





(b) Measure the resistance according to the value(s) in the table below.

Standard Resistance:





NG -- REPLACE DOOR CONTROL SWITCH ASSEMBLY (FRONT PASSENGER SIDE) Removal
OK -- Continue to next step.

9. CHECK HARNESS AND CONNECTOR (JUNCTION BLOCK - DOOR CONTROL SWITCH (FRONT PASSENGER SIDE))

(a) Disconnect the 2H junction block connector.

(b) Disconnect the H5 switch connector.





(c) Measure the resistance according to the value(s) in the table below.

Standard Resistance:





NG -- REPAIR OR REPLACE HARNESS OR CONNECTOR

OK -- REPLACE MAIN BODY ECU (INSTRUMENT PANEL JUNCTION BLOCK)

10. READ VALUE USING TECHSTREAM (DOOR KEY LINKED LOCK AND UNLOCK SWITCH (DRIVER SIDE))

(a) Connect the Techstream.

(b) Turn the ignition switch to ON.

(c) Turn the Techstream on.

(d) Enter the following menus: Body Electrical / Main Body / Data List.

(e) Read the Data List according to the display on the Techstream.

Main Body





OK:

The Techstream indicates ON or OFF according to the switch operation as shown in the table.

NG -- INSPECT FRONT DOOR LOCK ASSEMBLY (DRIVER SIDE)

OK -- REPLACE MAIN BODY ECU (INSTRUMENT PANEL JUNCTION BLOCK)

11. INSPECT FRONT DOOR LOCK ASSEMBLY (DRIVER SIDE)

(a) Remove the front door lock assembly (driver side) Removal.





(b) Measure the resistance according to the value(s) in the table below.

Standard Resistance:





NG -- REPLACE FRONT DOOR LOCK ASSEMBLY (DRIVER SIDE) Removal
OK -- Continue to next step.

12. CHECK HARNESS AND CONNECTOR (FRONT DOOR LOCK - MAIN BODY ECU (INSTRUMENT PANEL J/B))

(a) Disconnect the 2H junction block connector.





(b) Disconnect the E63 ECU connector.

(c) Measure the resistance according to the value(s) in the table below.

Standard Resistance:





NG -- REPAIR OR REPLACE HARNESS OR CONNECTOR

OK -- REPLACE MAIN BODY ECU (INSTRUMENT PANEL JUNCTION BLOCK)